lemon-mirror:
Home >> Chevrolet >> 2007 >> Malibu V6-3.9L >> Repair and Diagnosis >> Specifications >> Mechanical Specifications >> Engine >> Intake Manifold

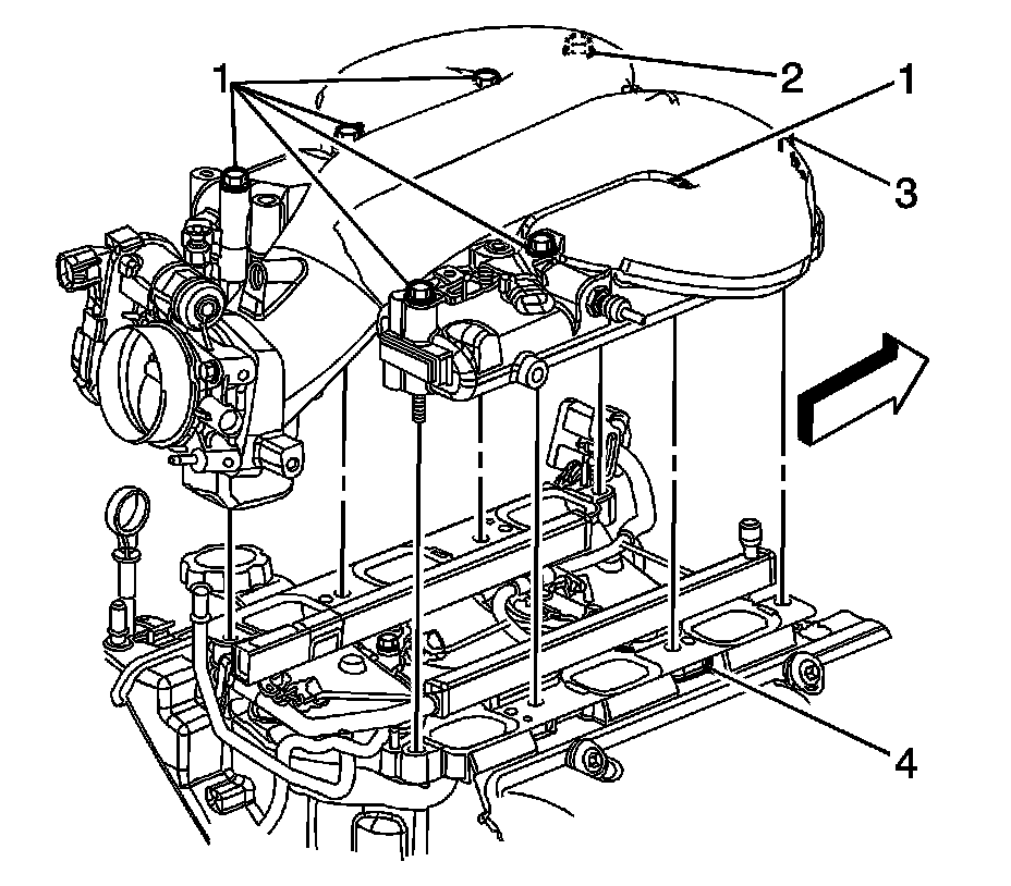
Intake Manifold

Upper Intake Manifold Bolt/Stud





Set the upper intake manifold onto the lower intake manifold.
Install the upper intake manifold bolts (1, 2) and stud (3).
Tighten the bolts and stud to 25 N.m (18 lb ft)

Lower Intake Manifold.





Install the lower intake manifold.





Notice: Maximum gasket performance is achieved when using new fasteners, which contain a thread-locking patch. If the fasteners are not replaced, a thread locking chemical must be applied to the fastener threads. Failure to replace the fasteners or apply a thread-locking chemical MAY reduce gasket sealing capability.

Notice: Failure to tighten vertical bolts before the diagonal bolts may cause an oil leak.

Install the lower intake manifold bolts.
Tighten the lower intake manifold bolts in the sequence shown.

Lower Intake Manifold Bolt - Center
Tighten the bolts (1, 2, 3, 4)
First Pass 13 N.m (10 lb ft)
Final Pass 20 N.m (15 lb ft)

Lower Intake Manifold Bolt - Corner
Tighten the bolts (5, 6, 7, 8)
First Pass 13 N.m (10 lb ft)
Final Pass 25 N.m (18 lb ft)

Throttle Body Bolt/Nut 10 N.m (89 lb in)
Throttle Body Stud 6 N.m (53 lb in)