lemon-mirror:
Home >> Chevrolet >> 2007 >> Malibu L4-2.2L >> Repair and Diagnosis >> Specifications >> Mechanical Specifications >> Engine >> Timing Components >> Timing Cover

Timing Cover

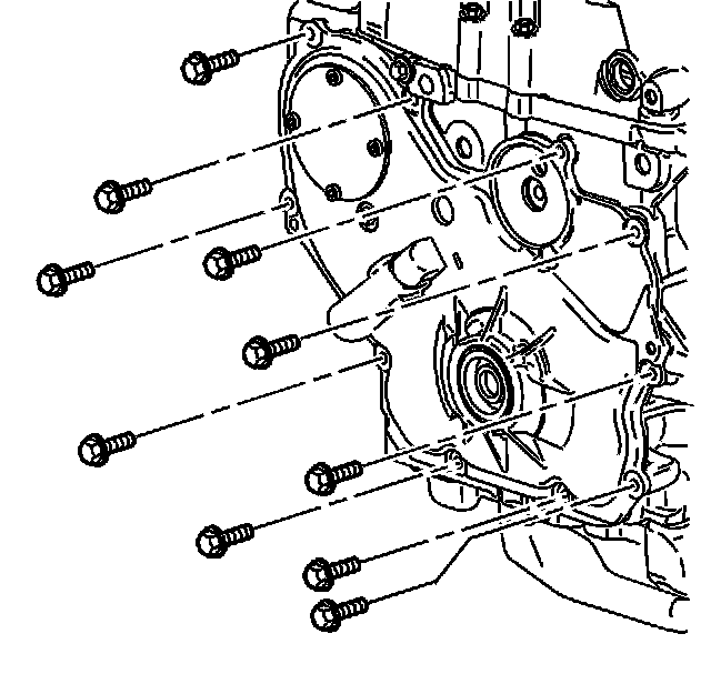
Engine Front Cover





Install the engine front cover bolts.
Tighten the engine front cover bolts to 25 N.m (18 lb ft)