lemon-mirror:
Home >> Chevrolet >> 2007 >> Malibu L4-2.2L >> Repair and Diagnosis >> Specifications >> Mechanical Specifications >> Engine >> Intake Manifold

Intake Manifold

Intake Manifold





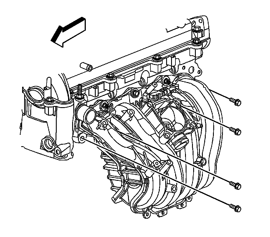
Install the NEW gasket to the intake manifold, if necessary.
Install the intake manifold onto the studs.
Install the intake manifold upper bolt and nuts.





Install the intake manifold lower bolts.
Intake Manifold to Cylinder Head Bolt 10 N.m (89 lb in)
Intake Manifold to Cylinder Head Nut 10 N.m (89 lb in)
Intake Manifold to Cylinder Head Stud 6 N.m (53 lb in)

Throttle Body Bolt 10 N.m (89 lb in)
Throttle Body Nut 10 N.m (89 lb in)
Throttle Body Stud 6 N.m (53 lb in)