lemon-mirror:
Home >> Chevrolet >> 2007 >> Malibu L4-2.2L >> Repair and Diagnosis >> Powertrain Management >> Computers and Control Systems >> Air Flow Meter/Sensor >> Service and Repair

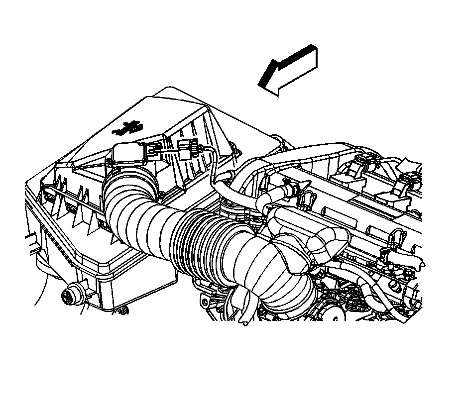
Air Flow Meter/Sensor: Service and Repair



Mass Airflow Sensor Replacement

Removal Procedure




1. Disconnect the engine wiring harness electrical connector from the mass air flow (MAF) sensor.




2. Remove the MAF sensor screws.
3. Remove the MAF sensor from the air cleaner cover.


Installation Procedure






Notice: Refer to Fastener Notice.

1. Install the MAF sensor and screws to the air cleaner cover.

Tighten the screws to 0.6 N.m (5 lb in).




2. Connect the engine wiring harness electrical connector to the MAF sensor.