lemon-mirror:
Home >> Chevrolet >> 2007 >> Malibu L4-2.2L >> Repair and Diagnosis >> Maintenance >> Timing Component Alignment Marks >> Locations

Timing Component Alignment Marks: Locations

Timing Component Alignment Marks




^ Install the crankshaft sprocket with timing mark at the 5 o'clock position.




^ Lower the timing chain through the opening in the top of the cylinder head. Carefully ensure that the chain goes around both sides of the cylinder block bosses (1, 2).




^ Install the intake camshaft sprocket with the INT diamond at the 2 o'clock position.
^ Hand tighten a NEW intake camshaft sprocket bolt.
^ Route the timing chain around the crankshaft sprocket with the matching colored link aligning with the timing mark.
^ Route the timing chain around the intake camshaft sprocket with the uniquely colored link (1) aligning with the INT diamond.




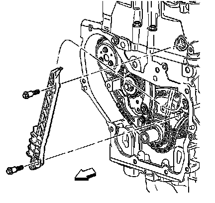
^ Install the timing chain tensioner guide through the opening in the top of the cylinder head.

Tighten the timing chain tensioner guide bolt to 10 N.m (89 lb in).




^ Install the exhaust camshaft sprocket with the timing chain matching colored link (3) at EXH triangle aligned at the 10 o'clock position.




^ Use a 24 mm wrench to rotate the camshaft slightly, until exhaust sprocket aligns with the camshaft.
^ Hand tighten the NEW exhaust camshaft sprocket bolt.




^ Install the fixed timing chain guide.

Tighten the fixed timing chain bolts to 15 N.m (133 lb in).




^ Apply sealant compound to thread and install the timing chain guide bolt access hole plug. Refer to Sealers, Adhesives, and Lubricants for the correct part number.

Tighten the chain guide plug to 90 N.m (66 lb ft).




^ Install the timing chain upper guide.

Tighten the timing chain upper guide bolts to 10 N.m (89 lb in).




^ Inspect the timing chain tensioner. If the timing chain tensioner, O-ring seal, or washer is damaged, replace the timing chain tensioner.
^ Measure the timing chain tensioner assembly from end to end.
A new tensioner should be supplied in the fully compressed non-active state. A tensioner in the compressed state will measure 72 mm (2.83 in) (a) from end to end. A tensioner in the active state will measure 85 mm (3.35 in) (a) from end to end.