lemon-mirror:
Home >> Chevrolet >> 2007 >> Malibu L4-2.2L >> Repair and Diagnosis >> Body and Frame >> Locks >> Keyless Entry >> Keyless Entry Module >> Service and Repair >> Remote Control Door Lock Receiver Replacement (Extended Sedan)

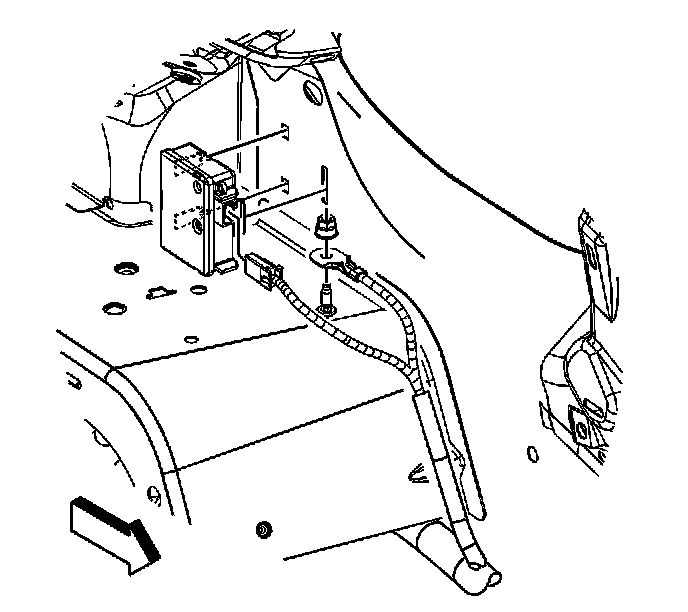
Remote Control Door Lock Receiver Replacement (Extended Sedan)



Remote Control Door Lock Receiver Replacement (Extended Sedan)

Removal Procedure

1. Remove the rear quarter lower trim panel.
2. Disconnect the electrical connectors from the receiver.




3. Remove the receiver from the vehicle.

Installation Procedure




1. Install the receiver to the vehicle.
2. Connect the electrical connectors to the receiver.
3. Install the rear quarter lower trim panel.
4. The transmitter will need to be programmed after replacement. Refer to Control Module References for programming and setup information.