lemon-mirror:
Home >> Chevrolet >> 2007 >> Impala V6-3.9L >> Repair and Diagnosis >> Starting and Charging >> Starting System >> Ignition Switch >> Service and Repair

Ignition Switch: Service and Repair



Ignition and Start Switch Replacement

Removal Procedure

Caution: Refer to SIR Caution.

1. Disable the SIR system SIR Disabling and Enabling.
2. Remove the upper and lower trim covers.
3. Remove the ignition lock cylinder.




4. Disconnect the theft deterrent control module connector.
5. Disconnect the fused jumper assembly connector.




6. Slide the theft deterrent control module (2) from the ignition lock cylinder case (1).




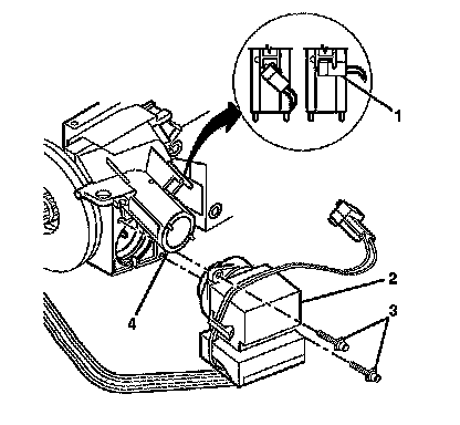
7. Remove the key alarm connector (1) from the ignition lock cylinder case (4).
8. Remove the 2 tapping screws (3) from the ignition switch assembly (2).

Installation Procedure





Notice: Refer to Fastener Notice.

1. Install the ignition switch assembly (2) and secure by using 2 tapping screws (3).

Tighten the screws to 7 N.m (62 lb in).

2. Install the ignition switch assembly connector (1) onto the ignition lock cylinder case (4).




3. Connect the theft deterrent control module connector.
4. Connect the fused jumper assembly connector.




5. Install the theft deterrent control module (2) onto the ignition lock cylinder case (1).
6. Install the ignition lock cylinder.
7. Install the upper and lower trim covers.
8. Enable the SIR system. Refer to SIR Disabling and Enabling.