lemon-mirror:
Home >> Chevrolet >> 2007 >> Impala V6-3.9L >> Repair and Diagnosis >> Diagrams >> Exploded Views >> Steering Gear

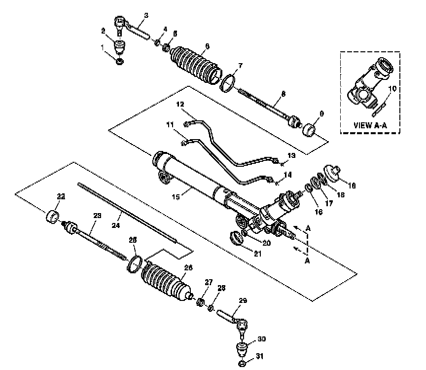
Steering Gear



Power Steering Gear Disassembled View (Rack and Pinion)

Rack and Pinion Power Steering Gear

Rack and Pinion Power Steering Gear:




1 - Hexagon Torque Prevailing Nut
2 - Tie Rod Seal
3 - Outer Tie Road Assembly
4 - Hexagon Jam Nut
5 - Tie Rod End Clamp
6 - Rack and Pinion Boot
7 - Boot Clamp
8 - Inner Tie Rod Assembly
9 - Shock Dampener Ring
10 - Adjuster Plug Lock Nut
11 - Cylinder Line Assembly (RH)
12 - Cylinder Line Assembly (LH)
13 - O-Ring Seal
14 - O-Ring Seal
15 - Rack and Pinion Gear Assembly (Partial)
16 - Needle Bearing Annulus Assembly
17 - Seal Adapter
18 - Retaining Ring
19 - Spool Shaft Seal
20 - Hexagon Lock Nut
21 - Dust Cover
22 - Shock Dampener Ring
23 - Inner Tie Rod Assembly
24 - Breather Tube
25 - Boot Clamp
26 - Rack and Pinion Boot
27 - Tie Rod End Clamp
28 - Hexagon Jam Nut
29 - Outer Tie Rod Assembly
30 - Tie Rod Seal
31 - Hexagon Torque Prevailing Nut