lemon-mirror:
Home >> Chevrolet >> 2007 >> Impala V6-3.5L >> Repair and Diagnosis >> Powertrain Management >> Computers and Control Systems >> Engine Control Module >> Locations

Engine Control Module: Locations



Engine Controls Component Views

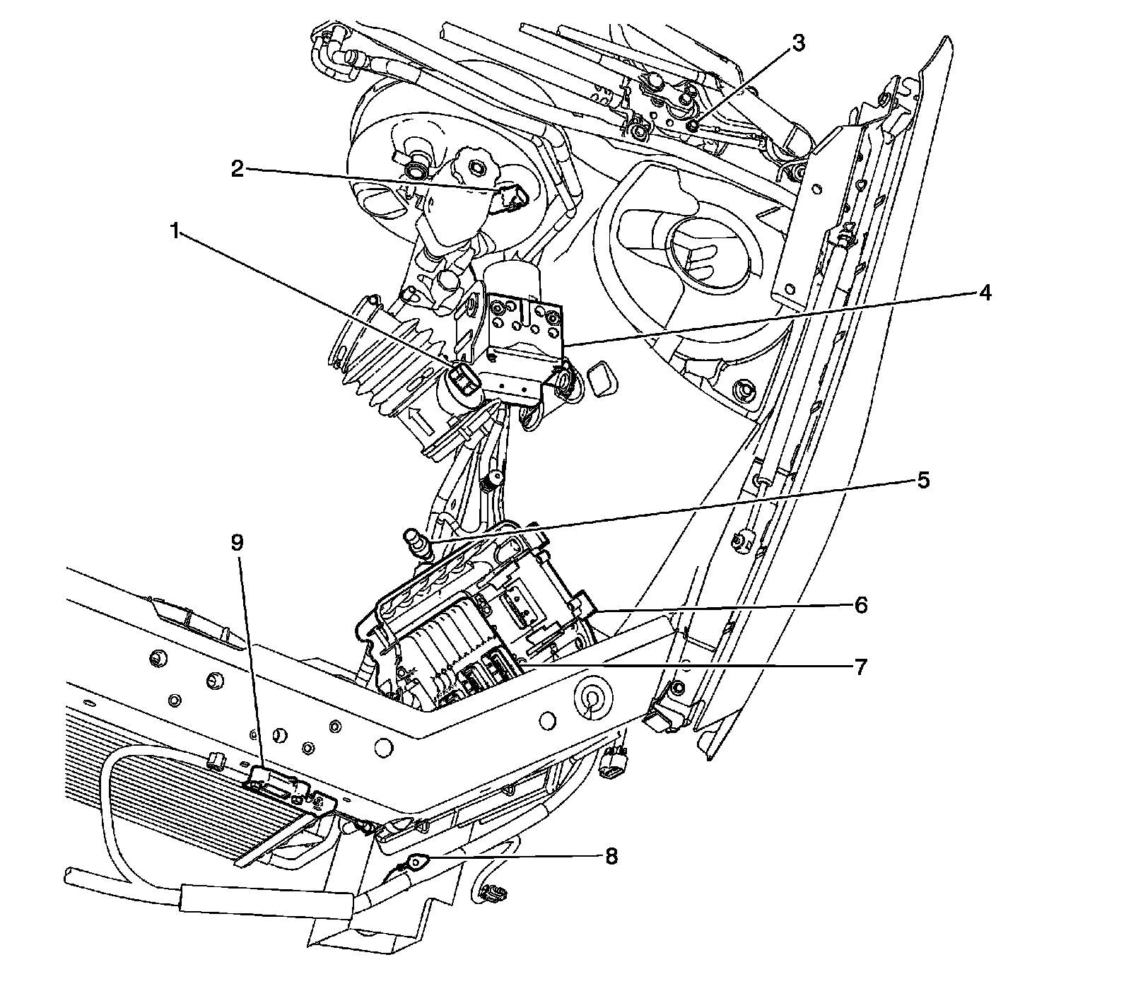
LF of the Engine Compartment

LF of the Engine Compartment:




1 - Mass Air Flow (MAF)/Intake Air Temperature (IAT) Sensor
2 - Brake Booster Vacuum Sensor (LS4)
3 - Windshield Wiper Motor
4 - Electronic Brake Control Module (EBCM)
5 - A/C Refrigerant Pressure Sensor
6 - Transmission Control Module (TCM)
7 - Engine Control Module (ECM)
8 - G101
9 - Inflatable Restraint Front End Sensor - Left