lemon-mirror:
Home >> Chevrolet >> 2007 >> Impala V6-3.5L >> Repair and Diagnosis >> Powertrain Management >> Computers and Control Systems >> Battery Current Sensor >> Service and Repair

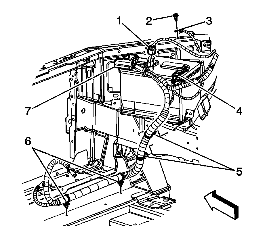
Battery Current Sensor: Service and Repair



Battery Current Sensor Replacement (RPOs LZE/LZ4/LZ9)

Removal Procedure




1. Disconnect the instrument panel (I/P) harness electrical connector (1) from the battery current sensor.
2. Remove the positive and negative battery cable.




3. Cut the tie straps and electrical tape attaching the battery current sensor to the positive battery cable.
4. Squeeze the positive and negative battery cable branches together.

Important: Note the position of the battery current sensor prior to removal.

5. Slide the battery current sensor (1) off of the battery cable.

Installation Procedure






Important: Ensure that the tape tab is pointing towards the positive battery terminal prior to installation.

1. Slide the NEW battery current sensor (1) up onto the battery cable.
2. Using NEW tie straps and electrical tape, attach the battery current sensor to the positive battery cable.




3. Install the positive and negative battery cable.
4. Connect the I/P harness electrical connector (1) to the battery current sensor.