lemon-mirror:
Home >> Chevrolet >> 2007 >> HHR L4-2.2L >> Repair and Diagnosis >> Powertrain Management >> Computers and Control Systems >> Knock Sensor >> Service and Repair

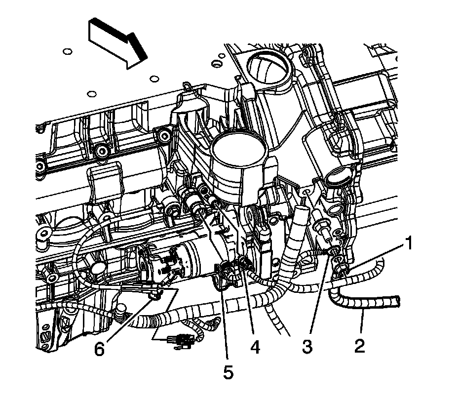
Knock Sensor: Service and Repair



Knock Sensor Replacement

Removal Procedure




1. Raise and suitably support the vehicle. Refer to Vehicle Lifting.
2. Disconnect the knock sensor (KS) harness electrical connector (6).




3. Remove the KS bolt.
4. Remove the KS.

Installation Procedure




1. Install the KS.

Notice: Refer to Fastener Notice.

2. Install the KS bolt.

Tighten the bolt to 25 N.m (18 lb ft).




3. Connect the KS harness electrical connector (6).
4. Lower the vehicle.