lemon-mirror:
Home >> Chevrolet >> 2007 >> HHR L4-2.2L >> Repair and Diagnosis >> Powertrain Management >> Computers and Control Systems >> Information Bus >> Locations >> Center Console Components

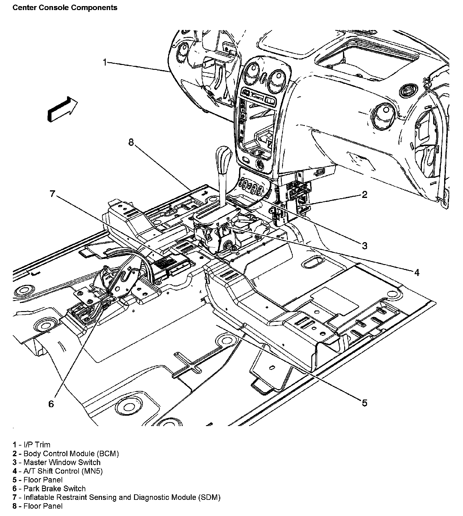
Center Console Components

Center Console Components: