lemon-mirror:
Home >> Chevrolet >> 2007 >> HHR L4-2.2L >> Repair and Diagnosis >> Accessories and Optional Equipment >> Central Control Module >> Service and Repair >> Communication Interface Module Replacement

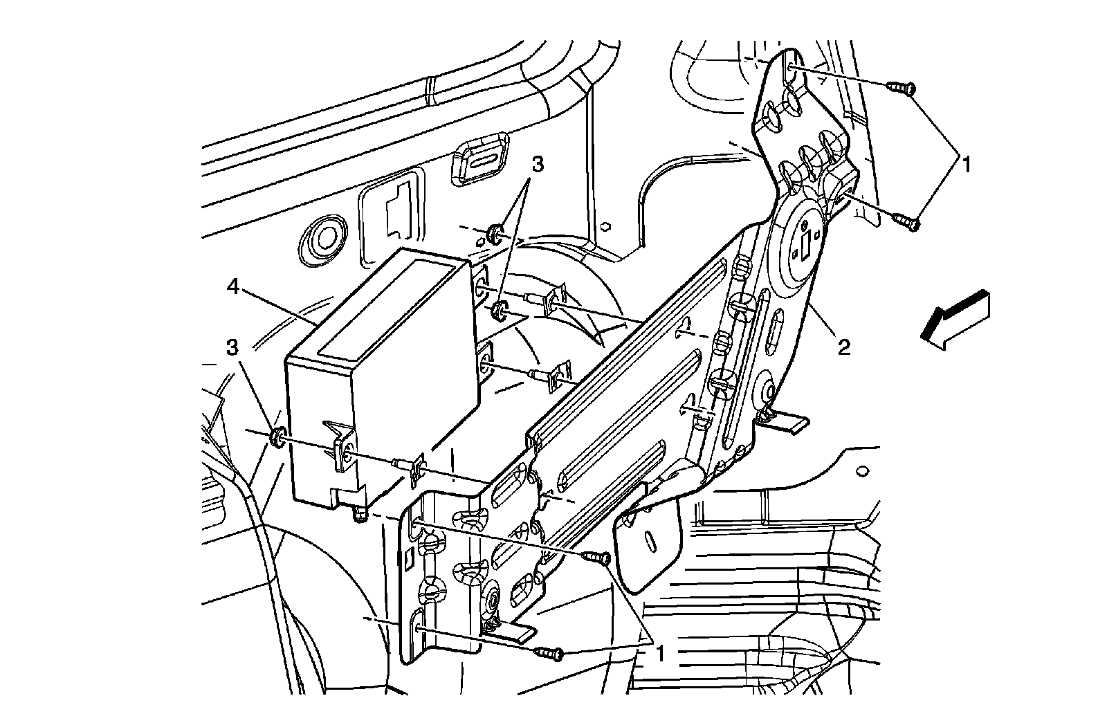
Communication Interface Module Replacement



Communication Interface Module Replacement