lemon-mirror:
Home >> Chevrolet >> 2007 >> Express 1500 RWD V6-4.3L >> Repair and Diagnosis >> Diagrams >> Exploded Views >> Engine >> Lower Engine View

Lower Engine View



Disassembled Views

Lower Engine View 1

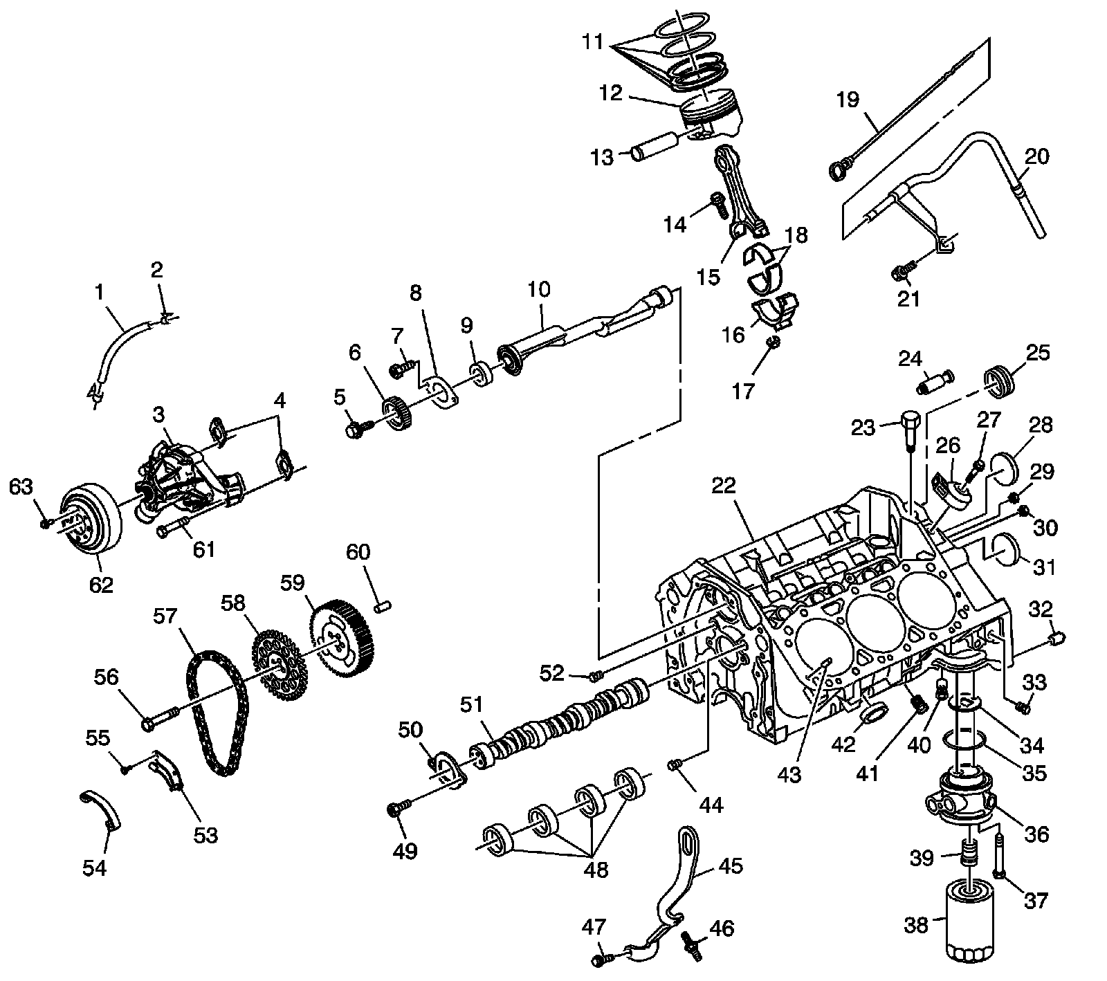
Lower Engine View (Part 1):




1 - Thermostat Bypass Hose
2 - Thermostat Bypass Pipe Clamp
3 - Water Pump
4 - Water Pump Gasket
5 - Balance Shaft Gear Bolt
6 - Balancer Shaft Driven Gear
7 - Balance Shaft Retainer Bolt
8 - Balancer Shaft Retainer
9 - Balancer Shaft Front Bearing
10 - Balance Shaft
11 - Piston Ring Set
12 - Piston
13 - Piston Pin
14 - Connecting Rod Bolt
15 - Connecting Rod
16 - Connecting Rod Bearing Cap
17 - Connecting Rod Nut
18 - Connecting Rod Bearing
19 - Oil Level Indicator
20 - Oil Level Indicator Tube
21 - Oil Level Indicator Tube Bolt
22 - Engine Block
23 - Engine Oil Pressure Indicator Switch Fitting
24 - Engine Oil Pressure Indicator Switch
25 - Balancer Shaft Rear Bearing
26 - Knock Sensor
27 - Knock Sensor Bolt
28 - Engine Block Coolant Hole Plug
29 - Engine Block Oil Gallery Plug
30 - Engine Block Oil Gallery Plug
31 - Engine Block Oil Gallery Plug
32 - Transmission Locating Pin
33 - Engine Block Oil Gallery Plug
34 - Engine Oil Cooler Adapter Gasket
35 - Engine Oil Cooler Adapter Seal
36 - Engine Oil Cooler Adapter
37 - Engine Oil Cooler Adapter Bolt
38 - Oil Filter
39 - Oil Pressure Relief Valve Spring Seat Pin
40 - Oil Filter Bypass Valve
41 - Engine Block Coolant Hole Plug
42 - Engine Block Coolant Hole Plug
43 - Cylinder Head Location Pin
44 - Engine Block Oil Gallery Plug
45 - Engine Lift Front Bracket
46 - Engine Lift Front Bracket Bolt
47 - Engine Lift Front Bracket Bolt
48 - Camshaft Bearing
49 - Camshaft Thrust Bearing Bolt
50 - Camshaft Thrust Plate
51 - Camshaft
52 - Engine Block Oil Gallery Plug
53 - Timing Chain Tensioner Bracket
54 - Timing Chain Tensioner Shoe
55 - Timing Chain Tensioner Bolt
56 - Camshaft Sprocket Bolt
57 - Timing Chain
58 - Camshaft Sprocket
59 - Balancer Shaft Drive Gear
60 - Camshaft Sprocket Location Pin
61 - Water Pump Bolt
62 - Water Pump Pulley
63 - Water Pump Pulley Bolt

Lower Engine View 2

Lower Engine View (Part 2):




1 - Crankshaft Balancer Bolt
2 - Crankshaft Balancer Washer
3 - Drive Belt Pulley
4 - Crankshaft Balancer
5 - Crankshaft Front Oil Seal
6 - Engine Front Cover Bolt
7 - Engine Front Cover
8 - Crankshaft Sprocket
9 - Crankshaft
10 - Crankshaft Balancer Key
11 - Crankshaft Lower Bearing
12 - Crankshaft Upper Bearing
13 - Crankshaft Rear Oil Seal Housing Gasket
14 - Crankshaft Rear Oil Seal Retainer Stud
15 - Crankshaft Rear Oil Seal Housing
16 - Crankshaft Rear Oil Seal Housing Bolt
17 - Crankshaft Rear Oil Seal
18 - Flywheel
19 - Flywheel Bolt
20 - Crankshaft Rear Oil Seal Housing Bolt
21 - Crankshaft Rear Oil Seal Housing Bolt
22 - Crankshaft Rear Oil Seal Housing Stud
23 - Oil Pan Nut
24 - Crankshaft Rear Oil Seal Housing Locating Pin
25 - Crankshaft Upper Bearing
26 - Crankshaft Bearing Cap
27 - Oil Pump Location Pin
28 - Oil Pump Drive Shaft
29 - Oil Pump Drive Clamp Bolt
30 - Oil Pump Bolt
31 - Oil Pan Gasket
32 - Oil Pan Baffle Bolt
33 - Oil Pan Baffle
34 - Oil Pan
35 - Oil Pan Drain Plug
36 - Oil Pan Drain Plug Seal
37 - Oil Pan Bolt
38 - Oil Pump Screen
39 - Oil Pump
40 - Crankshaft Bearing Cap Bolt
41 - Crankshaft Bearing Cap
42 - Crankshaft Lower Bearing
43 - Crankshaft Position Sensor Excitor Ring
44 - Crankshaft Position Sensor Seal
45 - Crankshaft Position Sensor
46 - Crankshaft Position Sensor Bolt
47 - Crankshaft Balancer Weight
48 - Drive Belt Pulley Bolt