lemon-mirror:
Home >> Chevrolet >> 2007 >> Corvette V8-7.0L >> Repair and Diagnosis >> Powertrain Management >> Computers and Control Systems >> Oil Pressure Sensor >> Service and Repair

Oil Pressure Sensor: Service and Repair



Engine Oil Pressure Sensor and/or Switch Replacement

Tools Required

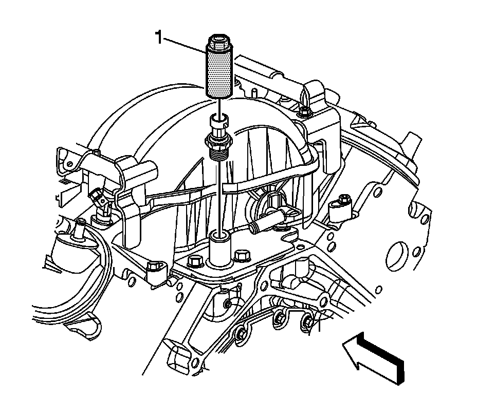
J 41712 Oil Pressure Sensor Socket

Removal Procedure




1. Remove the left engine sight cover.
2. Clean area around the oil sensor/switch before removing it.
3. Remove the vacuum hose for the power brake booster.




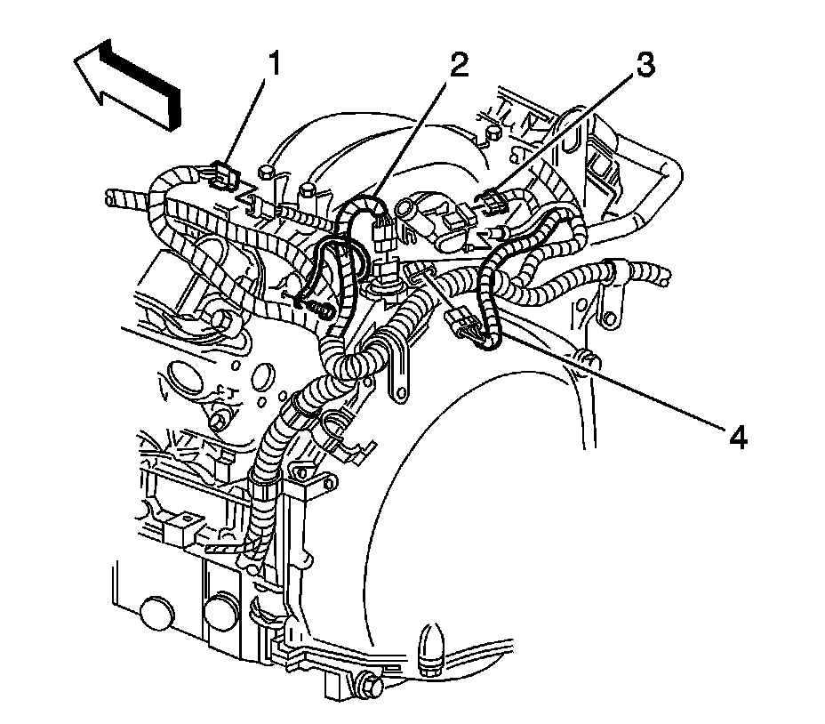
4. Disconnect the electrical connector for the oil pressure sensor/switch (2).




5. Using the J 41712, remove the oil pressure sensor/switch.

Installation Procedure




1. If installing the old sensor, apply threadlocker sealant. Refer to Sealers, Adhesives, and Lubricants for the correct part number.

Notice: Refer to Fastener Notice.

2. Using the J 41712, install the oil pressure sensor/switch.

Tighten the engine oil pressure sensor to 20 N.m (15 lb ft).




3. Reconnect the oil pressure sensor/switch electrical connector (2).




4. Install the vacuum hose for the power brake booster.
5. Install the left engine sight cover.