lemon-mirror:
Home >> Chevrolet >> 2007 >> Corvette V8-7.0L >> Repair and Diagnosis >> Powertrain Management >> Computers and Control Systems >> Knock Sensor >> Service and Repair

Knock Sensor: Service and Repair



Knock Sensor Replacement

Removal Procedure




1. Disconnect the negative battery cable.
2. Remove the left exhaust manifold.
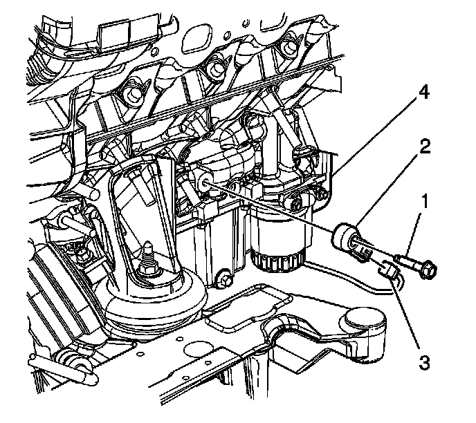
3. Remove the mounting bolt for the knock sensor 1.
4. Disconnect the electrical connector of the knock sensor from the engine harness (3).
5. Remove the knock sensor (2) from the engine block (4).

Installation Procedure




1. Reconnect the engine harness (3) and the knock sensor (2) electrical connectors.
2. Position the knock sensor 2 on the engine block (4).
3. Install the mounting bolt (1) for the knock sensor 2.

Notice: Refer to Fastener Notice.

4. Tighten the knock sensor mounting bolt (1).

Tighten the knock sensor mounting bolt to 20 N.m (15 lb ft).

5. Install the left exhaust manifold.
6. Connect the negative battery cable.
7. Program the transmitters.