lemon-mirror:
Home >> Chevrolet >> 2007 >> Corvette V8-7.0L >> Repair and Diagnosis >> Powertrain Management >> Computers and Control Systems >> Crankshaft Position Sensor >> Service and Repair

Crankshaft Position Sensor: Service and Repair



Crankshaft Position Sensor Replacement

Removal Procedure




1. Remove the starter.
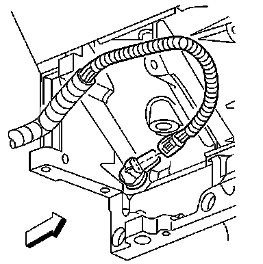
2. Disconnect the crankshaft position (CKP) sensor electrical connector.






Important: Clean the area around the CKP before removal in order to avoid debris from entering the engine.

3. Remove the CKP sensor retaining bolt.
4. Remove the CKP sensor.

Installation Procedure




1. Install the CKP sensor.

Notice: Refer to Fastener Notice.

2. Install the CKP sensor retaining bolt.

Tighten the CKP sensor to 25 N.m (18 lb ft).




3. Connect the CKP sensor electrical connector.
4. Install the starter.
5. Program the transmitters. Refer to Transmitter Programming (Domestic and Japan) Transmitter Programming (Export - Including Canada), Programming and Relearning
6. Perform the CKP System Variation Learn Procedure. Refer to Crankshaft Position System Variation Learn. Service and Repair