lemon-mirror:
Home >> Chevrolet >> 2007 >> Colorado 2WD L4-2.9L >> Repair and Diagnosis >> Windows and Glass >> Windows >> Power Window Switch >> Locations

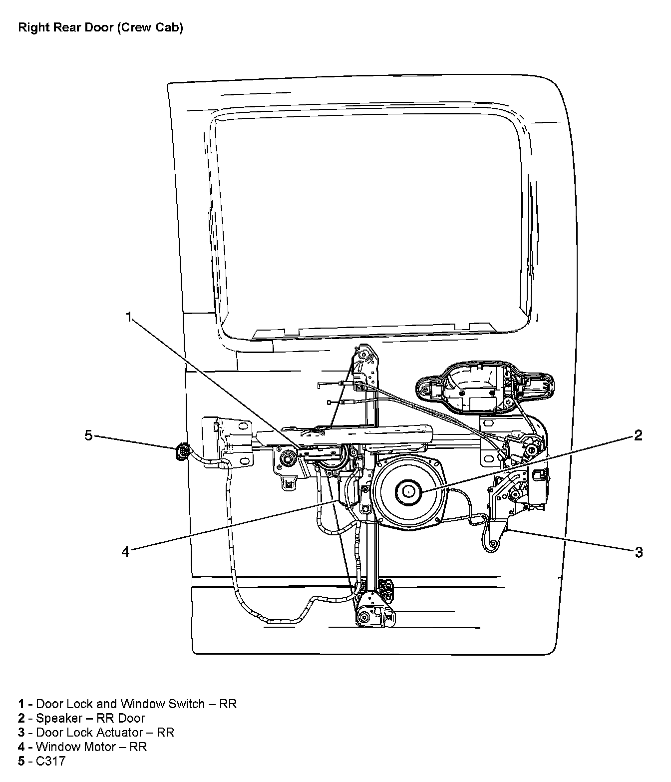
Power Window Switch: Locations

Left Rear Door (Crew Cab):



Right Rear Door (Crew Cab):