lemon-mirror:
Home >> Chevrolet >> 2007 >> Colorado 2WD L4-2.9L >> Repair and Diagnosis >> Powertrain Management >> Computers and Control Systems >> Data Link Connector >> Locations

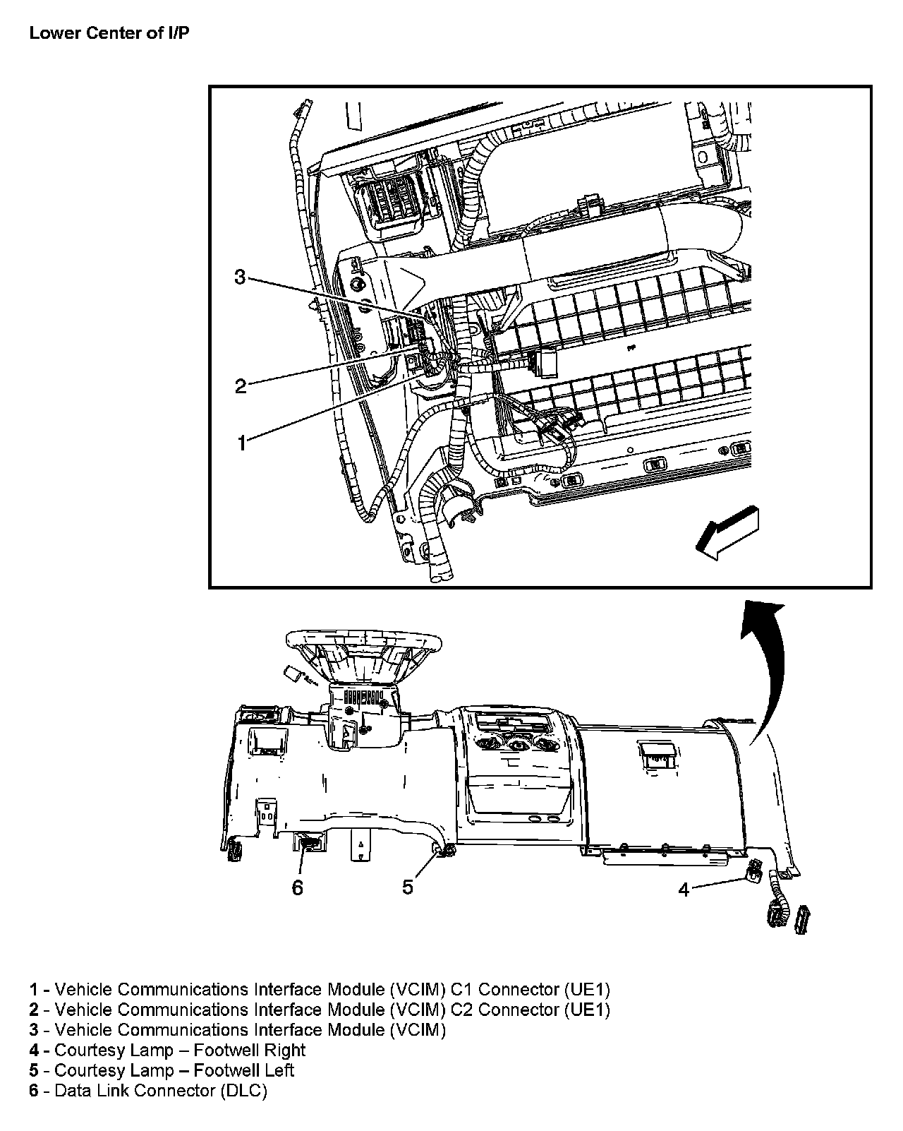
Data Link Connector: Locations

Lower Center Of I/P: