lemon-mirror:
Home >> Chevrolet >> 2007 >> Aveo L4-1.6L >> Repair and Diagnosis >> Diagrams >> Connector Views >> Engine Control Module >> Engine Control Module Connector End Views (Notchback)

Engine Control Module Connector End Views (Notchback)



Engine Control Module Connector End Views (Notchback)

Engine Control Module (ECM) K (MR140) (Pin 1 To 31):





Engine Control Module (ECM) K (MR140) (Pin 32 To 64):





Engine Control Module (ECM) M (MR140) (Pin 1 To 29):





Engine Control Module (ECM) M (MR140) (Pin 30 To 64):





Engine Control Module (ECM) C (MT34) (Pin 1 To 33):





Engine Control Module (ECM) C (MT34) (Pin 34 To 64):





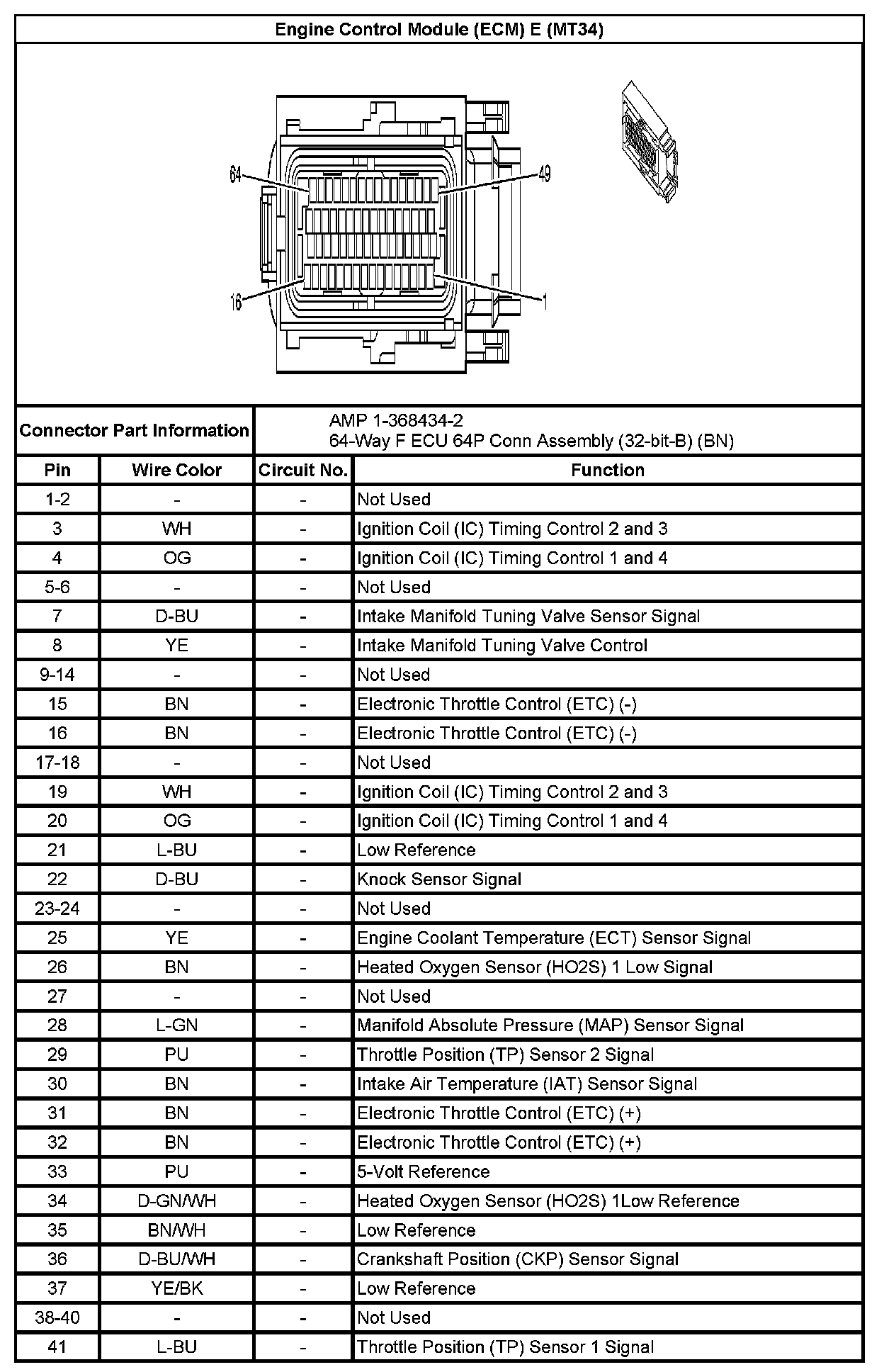
Engine Control Module (ECM) E (MT34) (Pin 1 To 41):





Engine Control Module (ECM) E (MT34) (Pin 42 To 64):