lemon-mirror:
Home >> Chevrolet >> 2006 >> Impala V6-3.9L VIN 1 >> Repair and Diagnosis >> Diagrams >> Electrical Diagrams >> Powertrain Management >> Computers and Control Systems >> Body Control Module

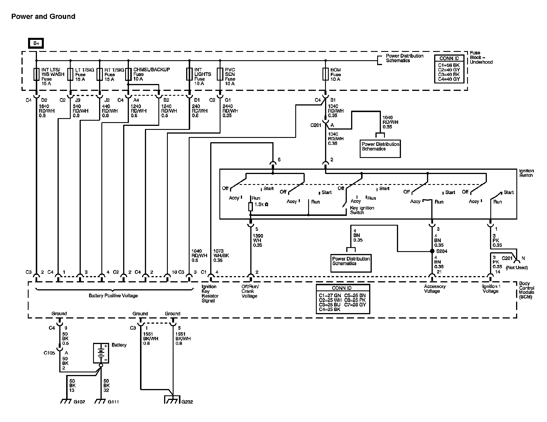
Body Control Module



Body Control System Diagram 1:




Body Control System Diagram 2:




Body Control System Diagram 3:




Body Control System Diagram 4:






Location: The locations for the Connectors, Grounds, Splices, and Grommets shown within these diagrams can be found via their numbers at Vehicle Locations. Locations