lemon-mirror:
Home >> Chevrolet >> 2006 >> HHR L4-2.4L >> Repair and Diagnosis >> Powertrain Management >> Computers and Control Systems >> Relays and Modules - Computers and Control Systems >> Engine Control Module >> Service and Repair

Engine Control Module: Service and Repair



ENGINE CONTROL MODULE (ECM) REPLACEMENT

REMOVAL PROCEDURE

NOTE:
- In order to prevent any possible electrostatic discharge damage to the ECM, do not touch the connector pins or the soldered components on the circuit board.
- Always turn the ignition off when installing or removing the ECM connectors in order to prevent damage to the components.

IMPORTANT: It is necessary to record the remaining engine oil life. If the replacement module is not programed with the remaining engine oil life, the engine oil life will default to 100%. If the replacement module is not programmed with the remaining engine oil life, the engine oil will need to be changed at 5000 km (3,000 mi) from the last engine oil change.




1. Using a scan tool, retrieve the percentage of remaining engine oil. Record the remaining engine oil life.
2. Disconnect the negative battery cable.
3. Remove the engine control module (ECM)/transaxle control module (TCM) cover.




4. Disconnect the body harness electrical connector (1) from the ECM.




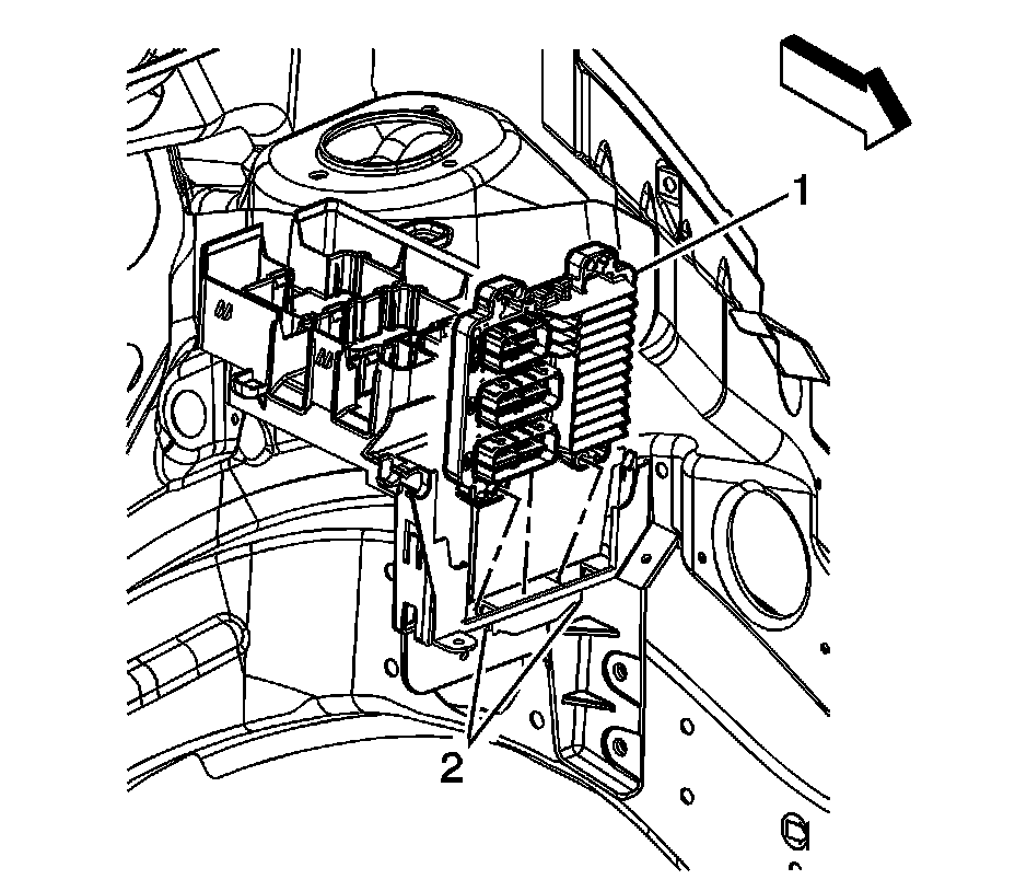
5. Disconnect the engine harness electrical connectors (1, 2) from the ECM.




6. Disengage the retaining tabs (2) on the bottom of the ECM/TCM bracket in order to remove the ECM (1).

NOTE: Control module damage may result when the metal case contacts battery voltage. DO NOT contact the control module metal case with battery voltage when servicing a control module, using battery booster cables or when charging the vehicles battery.

INSTALLATION PROCEDURE




1. Slide the ECM (1) into the ECM/TCM bracket until the retaining tabs (2) engage the ECM.

NOTE: Control module damage may result when the metal case contacts battery voltage. DO NOT contact the control module metal case with battery voltage when servicing a control module, using battery booster cables or when charging the vehicles battery.




2. Connect the engine harness electrical connectors (1, 2) to the ECM.




3. Connect the body harness electrical connector (1) to the ECM.




4. Install the ECM/TCM cover.
5. Connect the negative battery cable.
6. Program the ECM. Refer to Control Module References. Programming and Relearning