lemon-mirror:
Home >> Chevrolet >> 2006 >> HHR L4-2.2L >> Repair and Diagnosis >> Powertrain Management >> Ignition System >> Knock Sensor >> Service and Repair

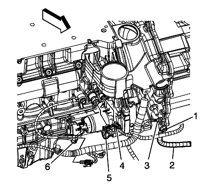
Knock Sensor: Service and Repair



KNOCK SENSOR (KS) REPLACEMENT

REMOVAL PROCEDURE




1. Disconnect the knock sensor (KS) harness electrical connector (6).




2. Remove the KS bolt.
3. Remove the KS.

INSTALLATION PROCEDURE




1. Install the KS.
2. Install the KS bolt.

NOTE: Refer to Fastener Notice.

Tighten the bolt to 25 N.m (18 lb ft).




3. Connect the KS harness electrical connector (6).