lemon-mirror:
Home >> Chevrolet >> 2006 >> HHR L4-2.2L >> Repair and Diagnosis >> Powertrain Management >> Computers and Control Systems >> Body Control Module >> Diagrams >> Electrical Diagrams

Electrical Diagrams



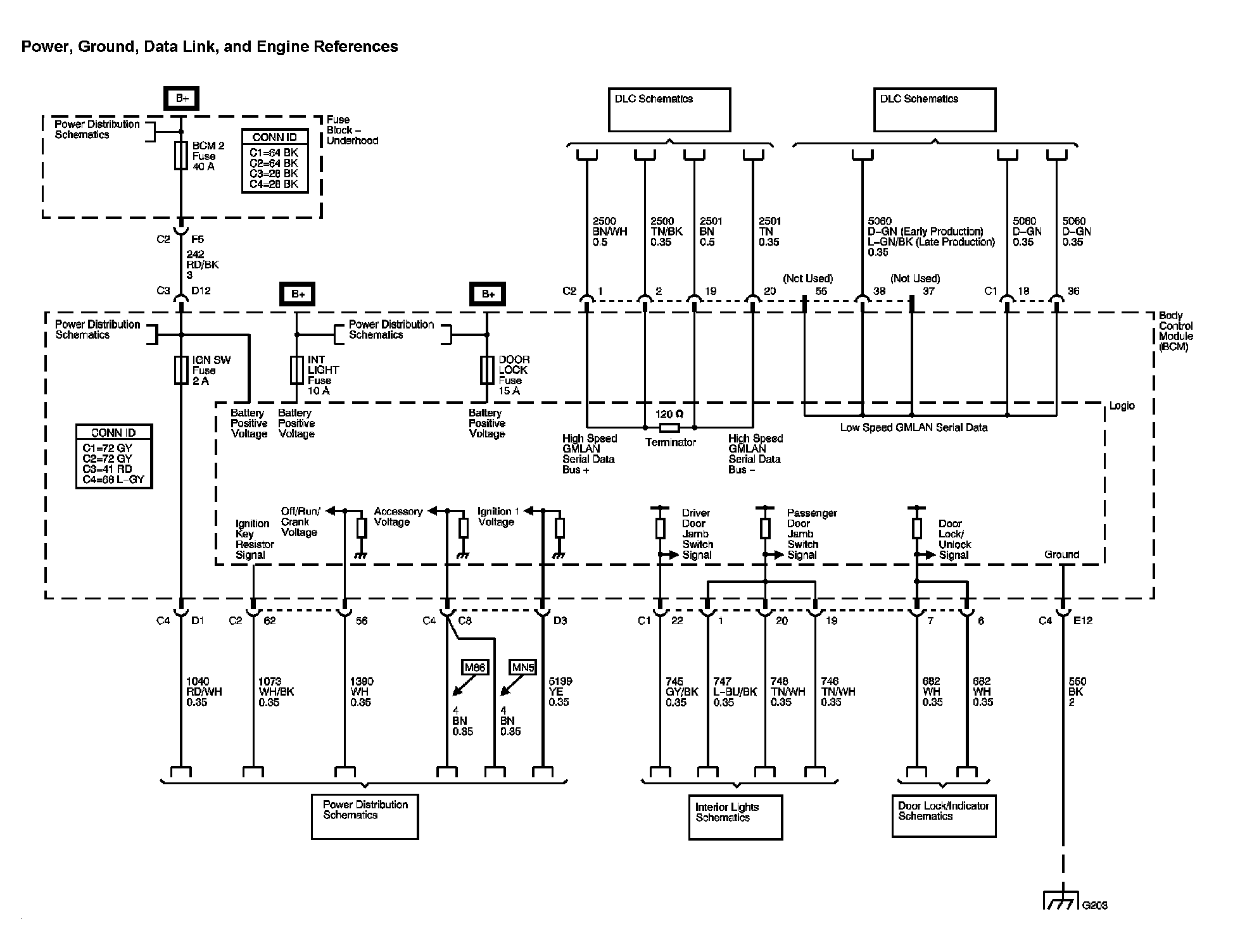
Body Control System Diagram 1:




Body Control System Diagram 2:




Body Control System Diagram 3:




Body Control System Diagram 4:




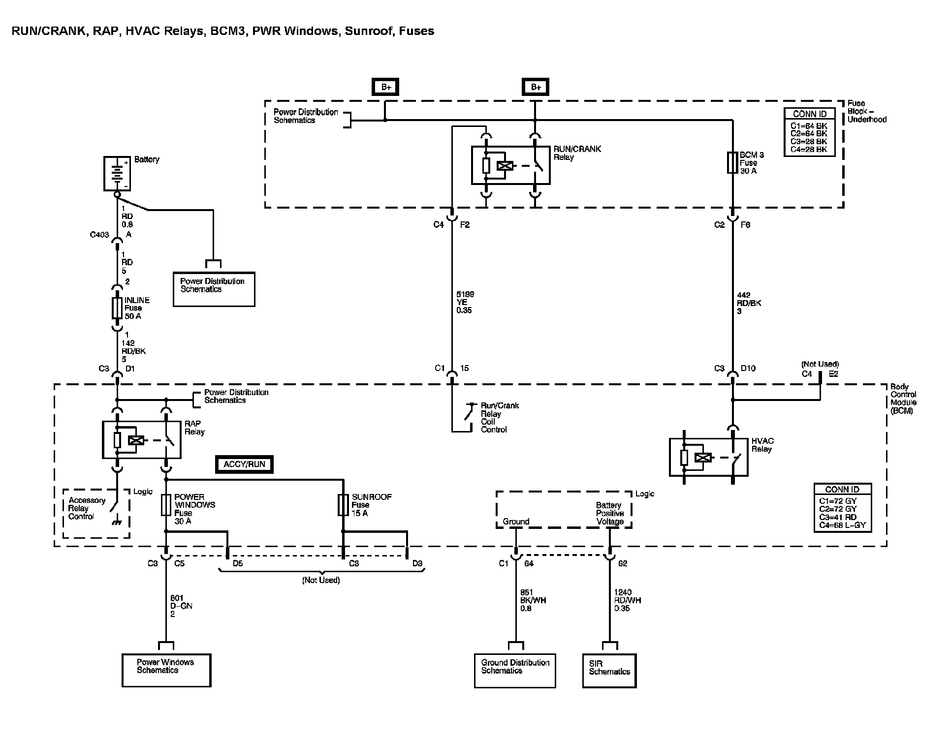
Body Control System Diagram 5:






Location: The locations for the Connectors, Grounds, Splices, and Grommets shown within these diagrams can be found via their numbers at Vehicle Locations. Locations