lemon-mirror:
Home >> Chevrolet >> 2006 >> HHR L4-2.2L >> Repair and Diagnosis >> Diagrams >> Electrical Diagrams >> Accessory Delay Module

Accessory Delay Module



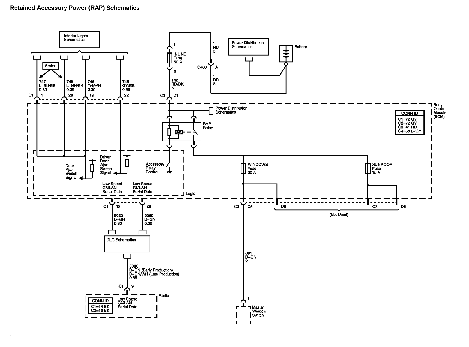
Retained Accessory Power (RAP) Diagram:






Location: The locations for the Connectors, Grounds, Splices, and Grommets shown within these diagrams can be found via their numbers at Vehicle Locations. Locations