lemon-mirror:
Home >> Chevrolet >> 2006 >> HHR L4-2.2L >> Repair and Diagnosis >> Body and Frame >> Body Control Systems >> Body Control Module >> Locations

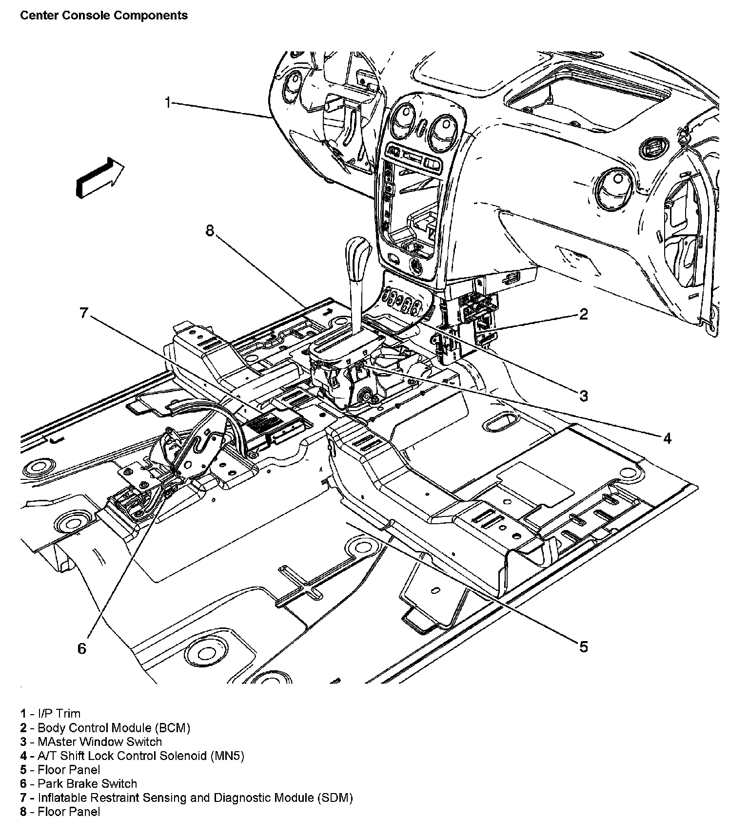
Body Control Module: Locations

Center Console Components: