lemon-mirror:
Home >> Chevrolet >> 2006 >> Cobalt L4-2.2L VIN F >> Repair and Diagnosis >> Powertrain Management >> Computers and Control Systems >> Relays and Modules - Computers and Control Systems >> Engine Control Module >> Locations

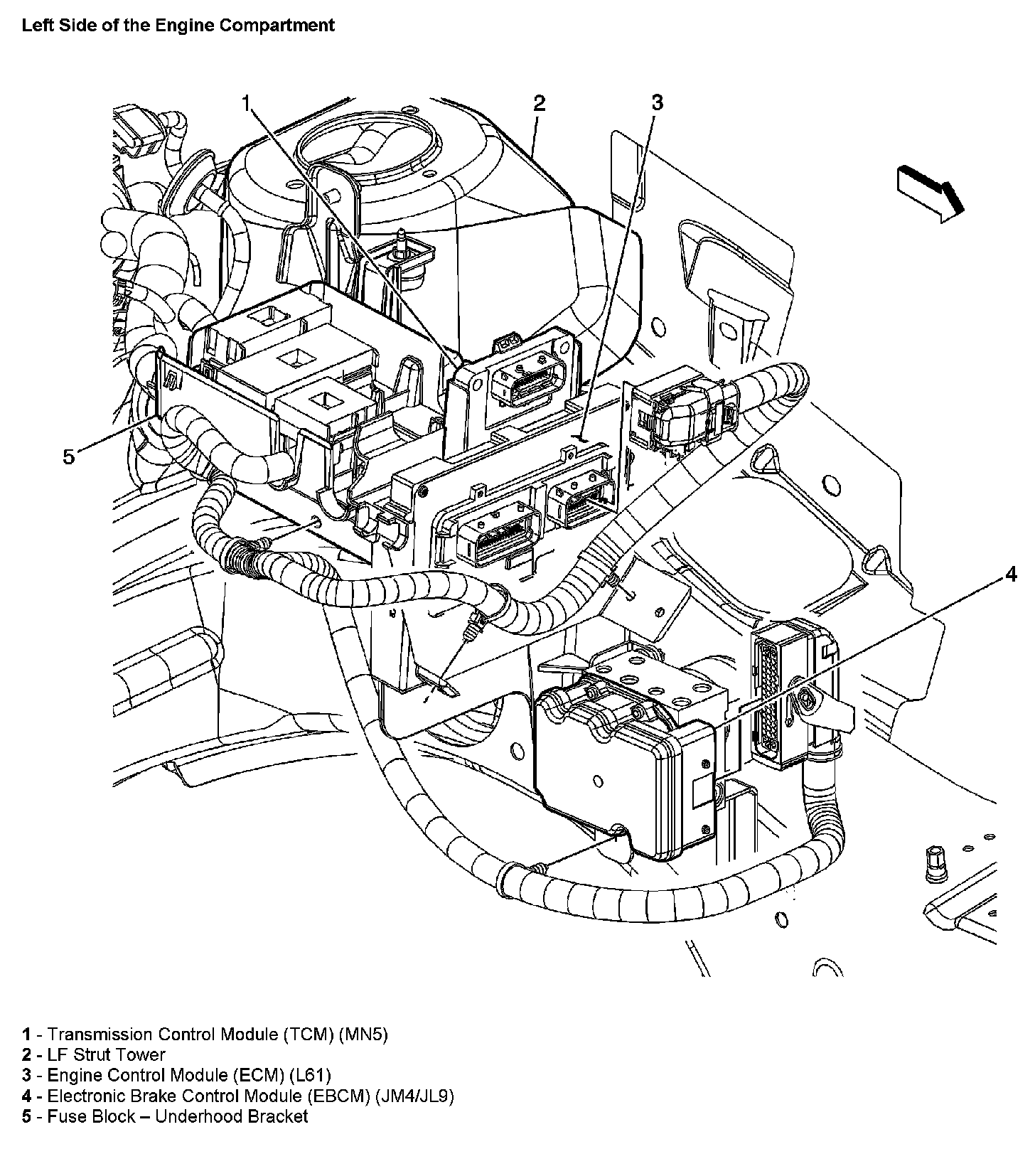
Engine Control Module: Locations

Left Side Of The Engine Compartment: