lemon-mirror:
Home >> Chevrolet >> 2005 >> SSR V8-6.0L VIN H >> Repair and Diagnosis >> Transmission and Drivetrain >> Automatic Transmission/Transaxle >> Control Module >> Locations

Control Module: Locations



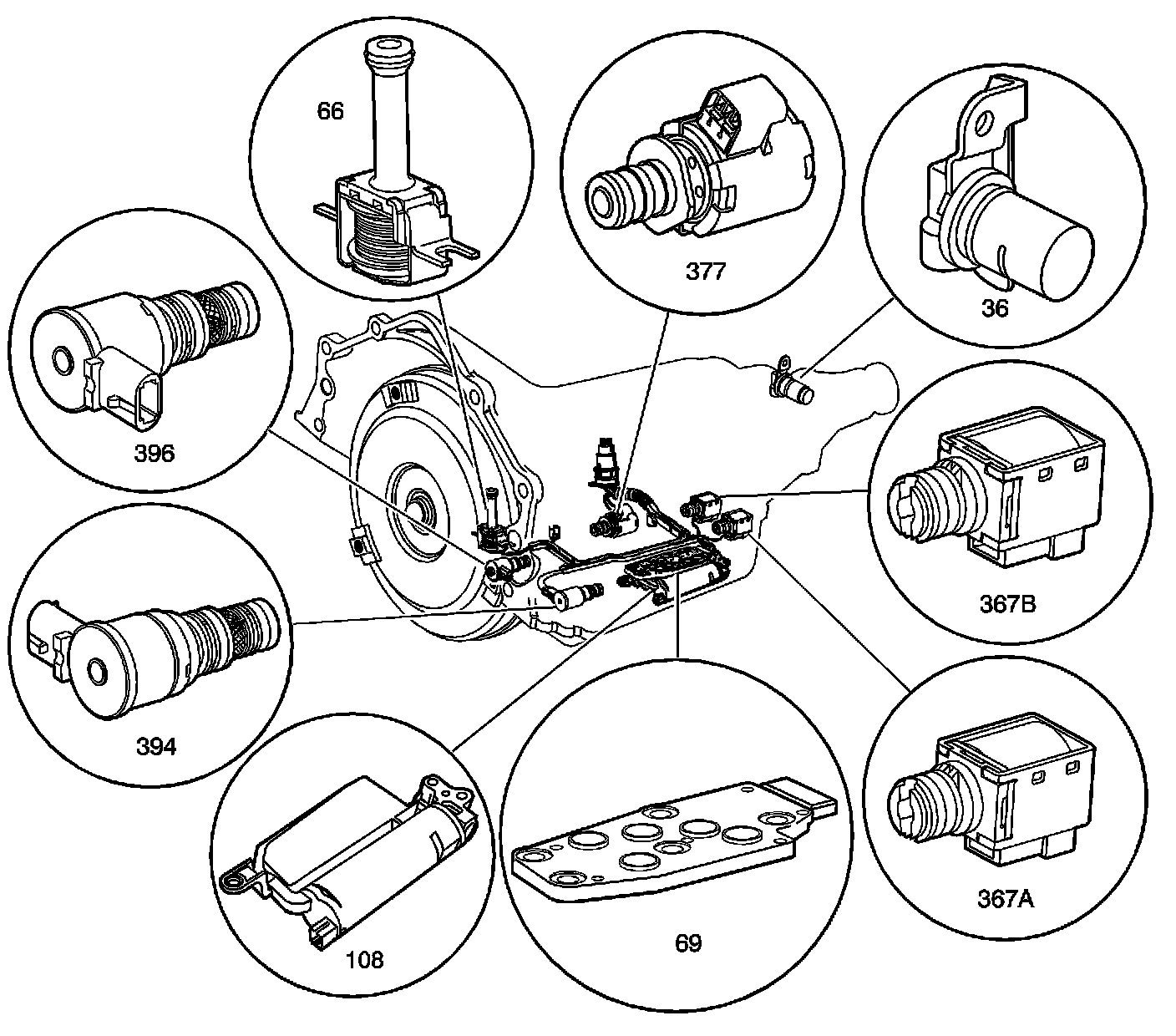
Automatic Transmission Electronic Component Views

Electronic Components:





Electronic Components

36 - Vehicle Speed Sensor (VSS) - Model Dependent
66 - Torque Converter Clutch (TCC) Solenoid Valve
69 - Automatic Transmission Fluid Pressure (TFP) Manual Valve Position Switch
108 - Secondary Fluid Pump Assembly - M33 Models Only
367a - 1-2 Shift Solenoid (SS) Valve
367b - 2-3 Shift Solenoid (SS) Valve
377 - Pressure Control (PC) Solenoid Valve
394 - 3-2 Shift Solenoid (SS) Valve Assembly
396 - Torque Converter Clutch Pulse Width Modulation (TCC PWM) Solenoid Valve

Park Neutral Position (PNP) Switch:





Park Neutral Position (PNP) Switch

1 - Automatic Transmission 4L60-E/4L65-E
2 - Park/Neutral Position (PNP) Switch





C175

1 - Automatic Transmission
2 - C175

Transmission Control Module (TCM):





Transmission Control Module (TCM)

1 - Engine Harness
2 - Transmission Control Module (TCM)
3 - Transmission Control Module (TCM) Connector Harness