lemon-mirror:
Home >> Chevrolet >> 2005 >> SSR V8-6.0L VIN H >> Repair and Diagnosis >> Diagrams >> Electrical Diagrams >> Powertrain Management >> Computers and Control Systems >> Body Control Module

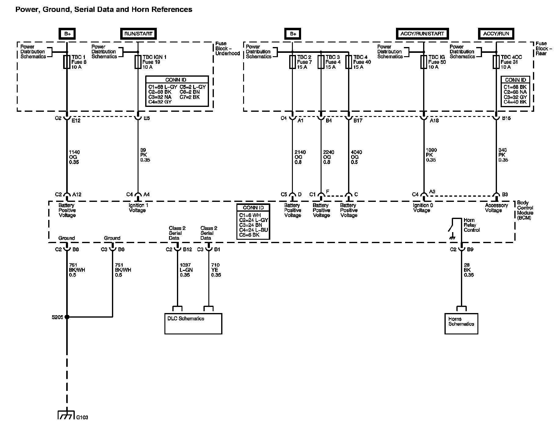
Body Control Module



Body Control System Diagram 1:




Body Control System Diagram 2:




Body Control System Diagram 3:






Location: The locations for the Connectors, Grounds, Splices, and Grommets shown within these diagrams can be found via their numbers at vehicle locations. Locations