lemon-mirror:
Home >> Chevrolet >> 2005 >> Express 2500 V6-4.3L VIN X >> Repair and Diagnosis >> Powertrain Management >> Ignition System >> Distributor >> Service and Repair >> Distributor Replacement

Distributor Replacement



DISTRIBUTOR REPLACEMENT

REMOVAL PROCEDURE

NOTE: There are two procedures available to install the distributor.
- Use Installation Procedure 1 when the crankshaft has NOT been rotated from the original position.
- Use Installation Procedure 2 when any of the following components are removed:
- The intake manifold
- The cylinder head
- The camshaft
- The timing chain or sprockets
- The complete engine

If the malfunction indicator lamp (MIL) turns on and DTC P1345 sets after installing the distributor, this indicates an incorrectly installed distributor.

Engine damage or distributor damage may occur. Use Procedure 2 in order to install the distributor.

1. Turn OFF the ignition.
2. Remove the engine cover.
3. Remove air cleaner assembly.
4. Remove the air intake resonator assembly.
5. Remove the spark plug wires from the distributor cap.
- Twist each spark plug wire boot 1/2 turn.
- Pull only on the wire boot in order to remove the wire from the distributor cap.
6. Remove the electrical connector from the base of the distributor.




7. Remove the 2 screws that retain the distributor cap to the housing.
8. Discard the screws.
9. Remove the distributor cap from the housing.




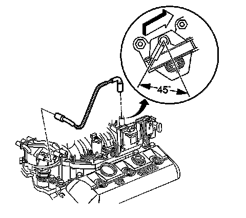
10. Use a grease pencil in order to mark the position of the rotor in relation to the distributor housing (1).
11. Mark the distributor housing and the intake manifold with the grease pencil.




12. As the distributor is being removed from the engine, watch the rotor move in a counter-clockwise direction about 42 degrees. This will appear as slightly more than one clock position.
13. Note the position of the rotor segment.
14. Place a second mark on the base of the distributor (2). This will aid in achieving the proper rotor alignment during the distributor installation.




15. Remove the mounting clamp hold-down bolt.
16. Remove the distributor.

INSTALLATION PROCEDURE 1




1. If installing a new distributor assembly, place 2 marks on the new distributor housing in the same location as the marks on the original housing.
2. Remove the new distributor cap, if necessary.
3. Align the rotor with the second mark (2).




4. Guide the distributor into the engine.
5. Align the hole in the distributor hold-down base over the mounting hole in the intake manifold.




6. As the distributor is being installed, observe the rotor moving in a clockwise direction about 42 degrees.
7. Once the distributor is completely seated, the rotor segment should be aligned with the mark on the distributor base (1).
- If the rotor segment is not aligned with the mark, the driven gear teeth and the camshaft have meshed one or more teeth out of alignment.
- In order to correct this condition, remove and reinstall the distributor.




8. Install the distributor mounting clamp bolt.

NOTE: Refer to Fastener Notice in Service Precautions.

Tighten the bolt to 25 N.m (18 lb ft).




9. Install the distributor cap.
10. Install the new distributor cap screws.

Tighten the screws to 2.4 N.m (21 lb in).

11. Install the electrical connector to the distributor.
12. Install the spark plug wires to the distributor cap.




13. Install the ignition coil wire. Note the correct orientation of the wire boot.
14. Refer to Installation Procedure 2 if the malfunction indicator lamp illuminates after installing the distributor.

IMPORTANT: If the malfunction indicator lamp illuminates after installing the distributor and DTC P1345 is set, the distributor has been installed incorrectly.

15. Install the engine cover.

INSTALLATION PROCEDURE 2




1. Rotate the crankshaft balancer clockwise until the alignment marks on the crankshaft balancer are aligned with the tabs on the engine front cover and the number 1 piston is at TDC of the compression stroke.

IMPORTANT: Rotate the number 1 cylinder to top dead center (TDC) of the compression stroke. The engine front cover has 2 alignment tabs and the crankshaft balancer has 2 alignment marks spaced 90 degrees apart which are used for positioning the number 1 piston at TDC. With the piston on the compression stroke and at TDC, the crankshaft balancer alignment mark (1) must align with the engine front cover tab (2) and the crankshaft balancer alignment mark (4) must align with the engine front cover tab (3).




2. Align the white paint mark on the bottom stem of the distributor and the pre-drilled indent hole in the bottom of the gear (3).
3. With the gear in this position, the rotor segment should be positioned as shown for a V6 engine (1).
- The alignment will not be exact.
- If the driven gear is installed incorrectly, the dimple will be approximately 180 degrees opposite of the rotor segment when installed in the distributor.

NOTE: The ignition system distributor driven gear and rotor may be installed in multiple positions. In order to avoid mistakes, mark the distributor on the following components in order to ensure the same mounting position upon reassembly:
- The distributor driven gear
- The distributor shaft
- The rotor holes

Installing the driven gear 180 degrees out of alignment, or locating the rotor in the wrong holes, will cause a no-start condition. Premature engine wear or damage may result.




4. Use a long screw driver in order to align the oil pump drive shaft to the drive tab of the distributor.
5. Guide the distributor into the engine. Ensure the flat portion of the distributor housing is facing toward the front of the engine.




6. Once the distributor is fully seated, the rotor segment should be aligned with the pointer cast into the distributor base. If the rotor segment does not come within a few degrees of the pointer, repeat the procedure in order to achieve the proper alignment.




7. Install the distributor mounting clamp bolt.

NOTE: Refer to Fastener Notice in Service Precautions.

Tighten the bolt to 25 N.m (18 lb ft).




8. Install the distributor cap.
9. Install the new distributor cap screws.

Tighten the screws to 2.4 N.m (21 lb in).

10. Install the electrical connector to the distributor.
11. Install the spark plug wires to the distributor cap.




12. Install the ignition coil wire. Note the correct orientation of the wire boot.
13. Repeat Installation Procedure 2 if the malfunction indicator lamp illuminates after installing the distributor.

IMPORTANT: If the malfunction indicator lamp illuminates after installing the distributor and DTC P1345 is set, the distributor has been installed incorrectly.

14. Install the engine cover.