lemon-mirror:
Home >> Chevrolet >> 2005 >> Express 2500 V6-4.3L VIN X >> Repair and Diagnosis >> Diagrams >> Exploded Views >> Engine >> Lower Engine View 2

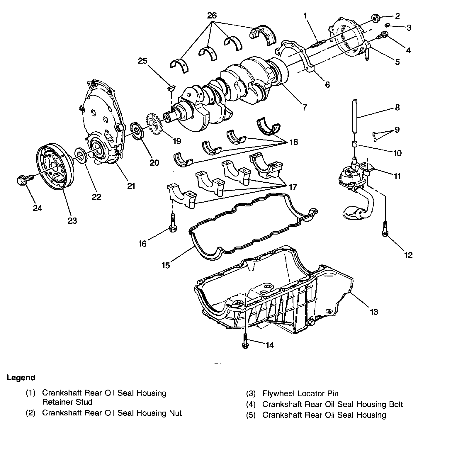
Lower Engine View 2

Part 1 Of 2:



Part 2 Of 2: