lemon-mirror:
Home >> Chevrolet >> 2005 >> Cobalt L4-2.2L VIN F >> Repair and Diagnosis >> Powertrain Management >> Computers and Control Systems >> Body Control Module >> Diagrams >> Electrical Diagrams

Electrical Diagrams



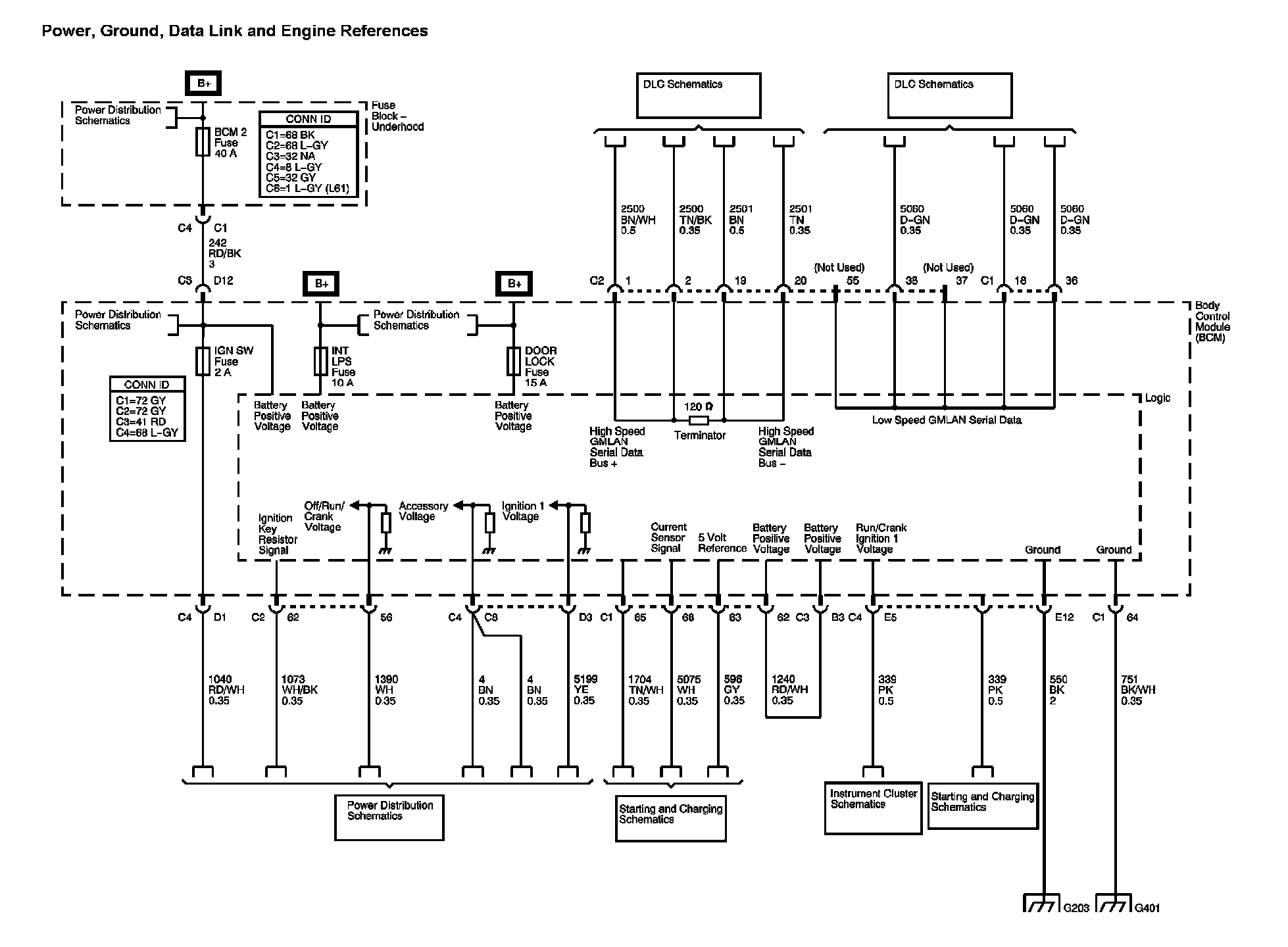
Body Control System Diagram 1:




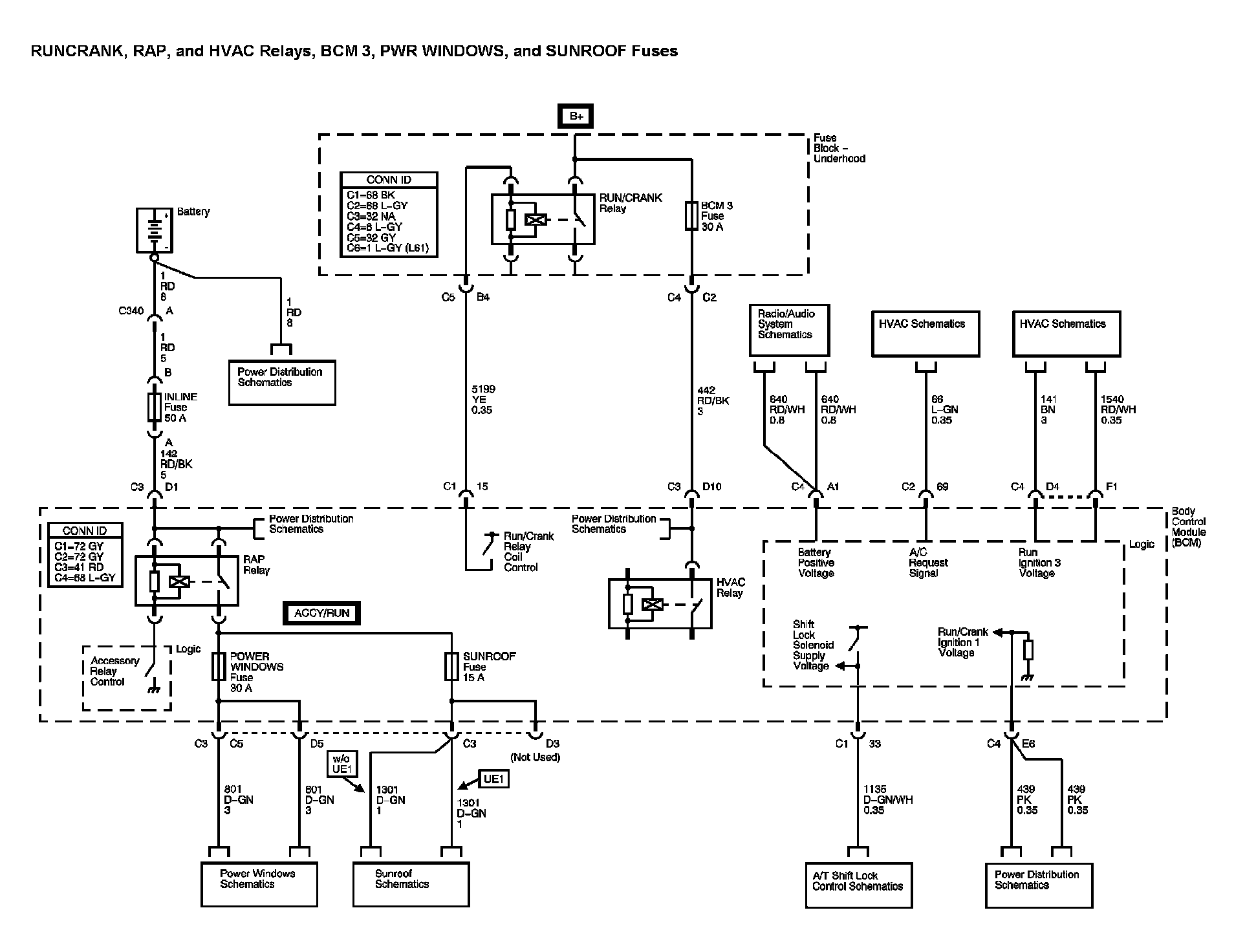
Body Control System Diagram 2:




Body Control System Diagram 3:




Body Control System Diagram 4:




Body Control System Diagram 5:






Locations: The locations for the Connectors, Grounds, Splices, and Grommets shown within these diagrams can be found via their numbers at Vehicle Locations.Locations