lemon-mirror:
Home >> Chevrolet >> 2005 >> Classic L4-2.2L VIN F >> Repair and Diagnosis >> Body and Frame >> Body Control Systems >> Body Control Module >> Locations

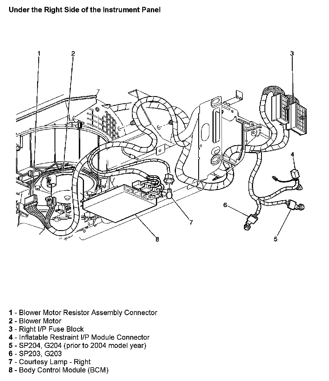
Body Control Module: Locations

Under The Right Side Of The Instrument Panel: