lemon-mirror:
Home >> Chevrolet >> 2004 >> Impala V6-3.4L VIN E >> Repair and Diagnosis >> Powertrain Management >> Computers and Control Systems >> Relays and Modules - Computers and Control Systems >> Engine Control Module >> Service and Repair

Engine Control Module: Service and Repair

POWERTRAIN CONTROL MODULE (PCM) REPLACEMENT

NOTE:
- Do not touch the connector pins or soldered components on the circuit board in order to prevent possible electrostatic discharge (ESD) damage to the PCM.
- Turn the ignition OFF when installing or removing the PCM connectors and disconnecting or reconnecting the power to the PCM (battery cable, PCM pigtail, PCM fuse, jumper cables, etc.) in order to prevent internal PCM damage.

IMPORTANT: When replacing the production PCM with a service PCM, You must transfer the broadcast code and production PCM number to the service PCM label. Do not record on PCM cover. This will allow positive identification of PCM parts throughout the service life of the vehicle.

Service of the PCM should normally consist of either replacement of the PCM or EEPROM programming. If the diagnostic procedures call for the PCM to be replaced, the PCM should be inspected first to see if the PCM is the correct part. If the PCM is faulty, remove the PCM and install the new service PCM.

The service electrically erasable programmable read only memory (EEPROM) will not be programmed. DTC P0602 indicates the EEPROM is not programmed or has malfunctioned.

Removal Procedure
1. Disconnect the negative battery cable.




2. Remove the air cleaner housing cover assembly.
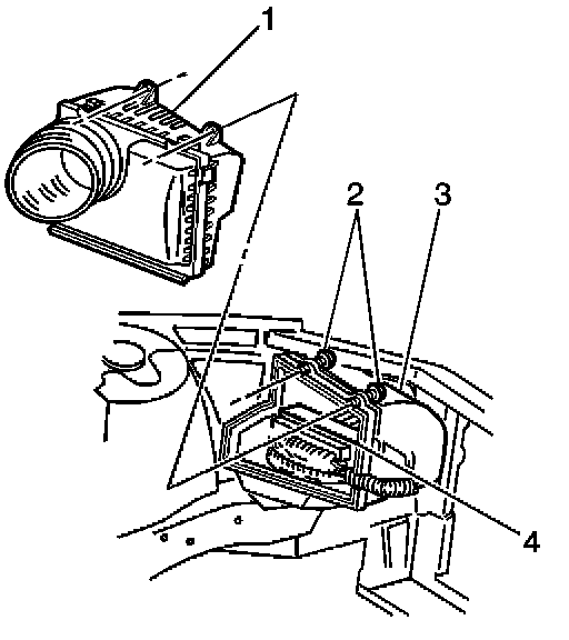
3. Without disconnecting the PCM connectors, remove the PCM (4) and the harness from the air cleaner housing.
4. Disconnect the PCM connectors.

Installation Procedure


NOTE: Refer to Fastener Notice in Service Precautions.




1. Install the PCM to the connectors.

Tighten
Tighten the connectors to 8 N.m (71 lb in).

2. Install the PCM (4) and the harness into the air cleaner housing.
3. Install the air cleaner housing cover assembly.
4. Connect the negative battery cable.
5. If a replacement PCM is being installed, program the PCM. Refer to Service Programming System (SPS) in Programming. Programming and Relearning