lemon-mirror:
Home >> Chevrolet >> 2004 >> Impala V6-3.4L VIN E >> Repair and Diagnosis >> Powertrain Management >> Computers and Control Systems >> Fuel Level Sensor >> Service and Repair

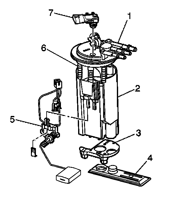
Fuel Level Sensor: Service and Repair

FUEL LEVEL SENSOR REPLACEMENT

REMOVAL PROCEDURE

IMPORTANT: Always maintain cleanliness when servicing fuel system components.




1. Remove the fuel sender assembly.
2. Disconnect the fuel level sensor electrical connector.
3. Remove the fuel level sensor (5) from the fuel sender assembly.

INSTALLATION PROCEDURE




1. Install the fuel level sensor (5) to fuel sender assembly.
2. Connect the fuel level sensor electrical connector.
3. Install the fuel sender assembly.