lemon-mirror:
Home >> Chevrolet >> 2004 >> Classic L4-2.2L VIN F >> Repair and Diagnosis >> Powertrain Management >> Computers and Control Systems >> Relays and Modules - Computers and Control Systems >> Body Control Module >> Locations

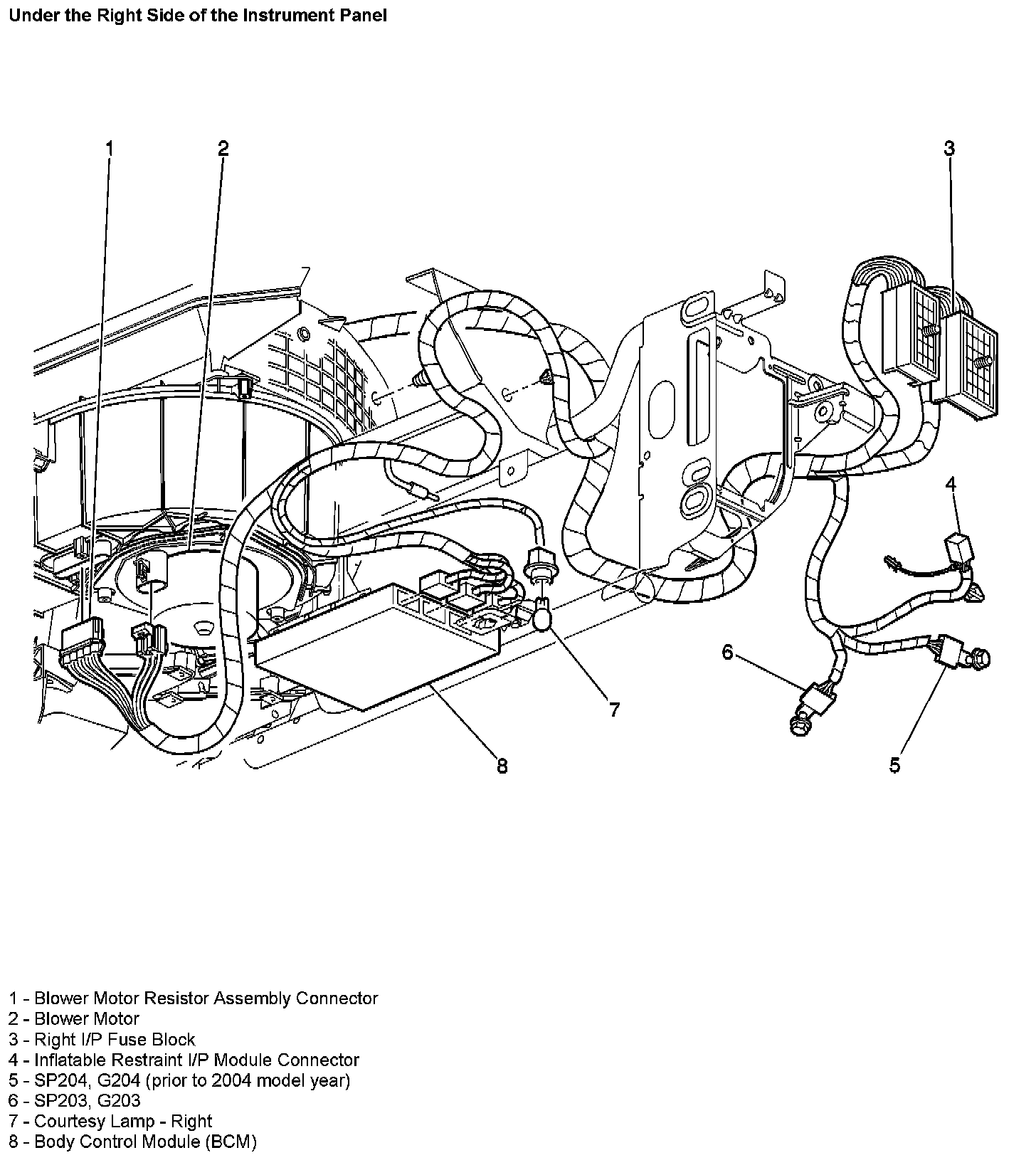
Body Control Module: Locations

Under The Right Side Of The Instrument Panel: