lemon-mirror:
Home >> Chevrolet >> 2004 >> Classic L4-2.2L VIN F >> Repair and Diagnosis >> Powertrain Management >> Computers and Control Systems >> Data Link Connector >> Locations

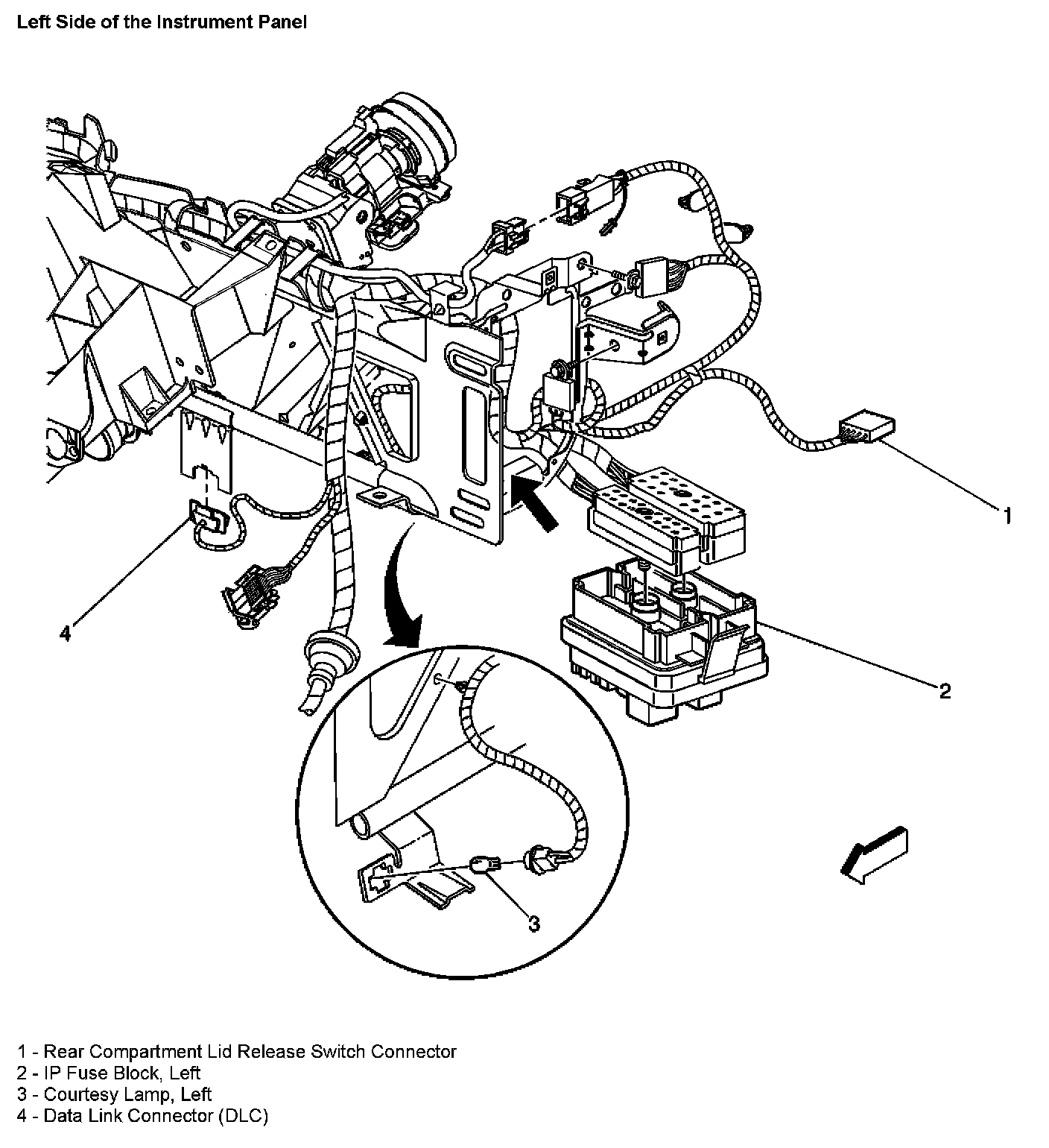
Data Link Connector: Locations

Left Side of the Instrument Panel: