lemon-mirror:
Home >> Chevrolet >> 2004 >> Classic L4-2.2L VIN F >> Repair and Diagnosis >> Body and Frame >> Body Control Systems >> Locations

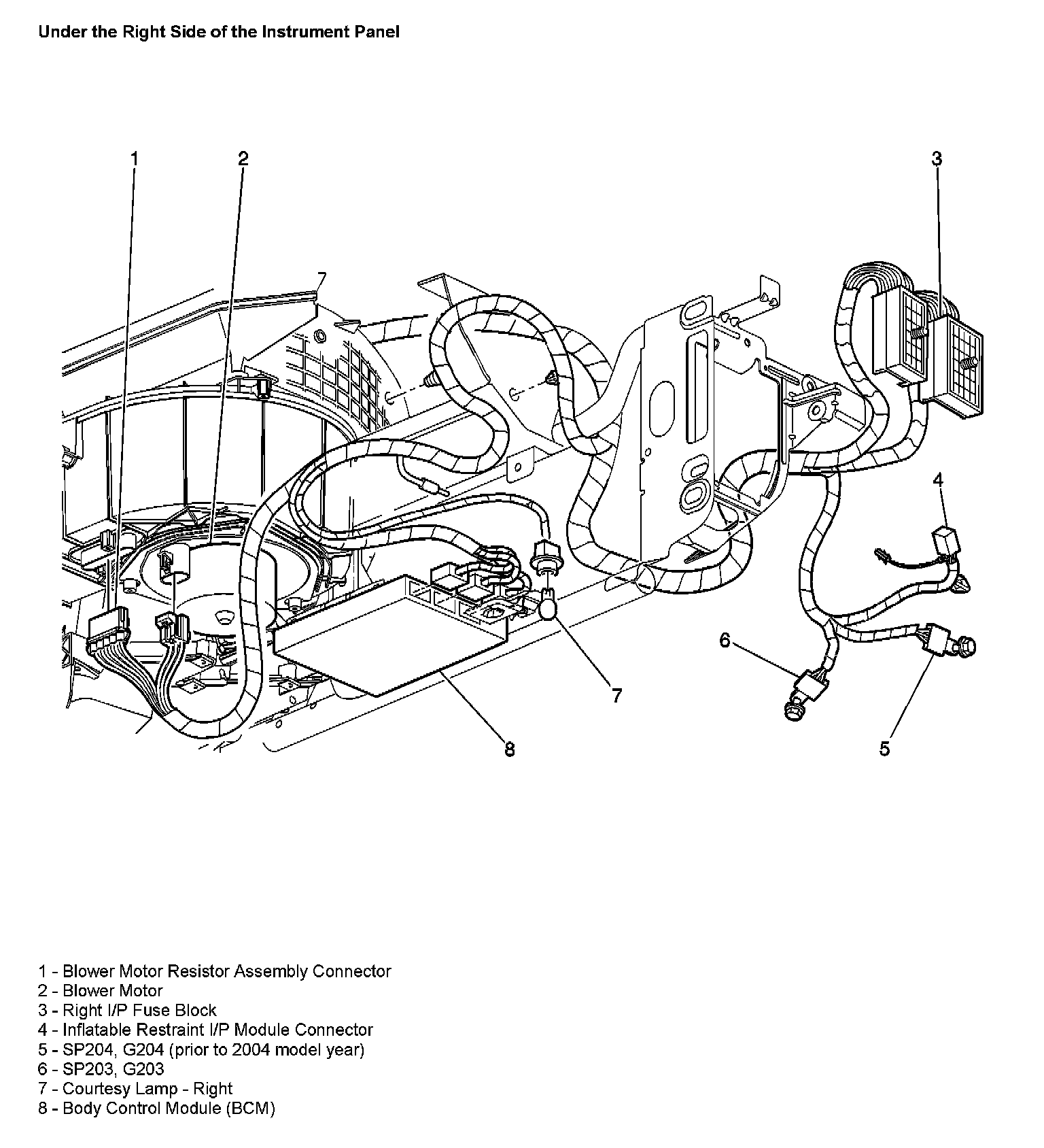
Body Control Systems: Locations

Under the Right Side of the Instrument Panel:



Left Side of the Instrument Panel: