lemon-mirror:
Home >> Chevrolet >> 2003 >> Tracker 2WD L4-2.0L VIN C >> Repair and Diagnosis >> Powertrain Management >> Computers and Control Systems >> Transmission Position Sensor/Switch >> Service and Repair

Transmission Position Sensor/Switch: Service and Repair

Transmission Range Switch

Removal Procedure

Caution: Refer to Battery Disconnect Caution in Service Precautions.





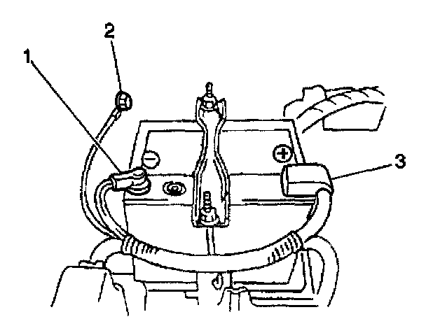
1. Disconnect the negative battery cable (1).
2. Remove the cooler lines.





3. Remove 1 electrical connector from the transmission range switch (1).
4. Remove the following components from the manual shaft:
^ The 1 nut
^ The 1 washer
^ The manual lever with cable attached
5. Unstake the lock plate behind the manual shaft nut.
6. Remove the manual shaft nut and the lock plate from the transmission range switch.
7. Remove 1 bolt and the transmission range switch from the manual shaft.

Installation Procedure





Notice: Refer to Fastener Notice in Service Precautions.

1. Attach the lock washer and the set nut. Install the transmission range switch (1) to the transmission by doing the following steps:
1.1. Turn the manual shaft rearward.
1.2. Turn the manual shaft back 2 notches and set the manual shaft to the NEUTRAL range.
1.3. Attach the transmission range switch to the transmission.
1.4. Secure the transmission range switch with 1 bolt. Do not tighten the bolt fully.
1.5. Tighten the transmission range switch set nut to 5 Nm (44 inch lbs.).
2. Bend the claws of the lock washer over the set nut.
3. Tighten the transmission range switch retaining bolt with the neutral reference line (2) and the cut out (3) in the transmission range switch aligned.
^ Tighten the transmission range switch bolt to 5 Nm (44 inch lbs.).
4. Attach the manual lever to the manual shaft with the cable attached.
5. Secure the manual lever with 1 washer and 1 nut.
^ Tighten the manual shaft lever nut to 13 Nm (115 inch lbs.).
6. Attach the negative battery cable.
7. Apply the parking brake and block the vehicle wheels.
8. Turn the ignition switch to START with the manual selector lever in the PARK position.
9. Verify that the starter motor operates.
10. Stop the engine.
11. Place the ignition switch in the ON position.
12. Move the shift selector lever from the PARK to the NEUTRAL position.
13. Turn the ignition switch to the START position.
14. Verify that the starter motor operates.
15. Verify that the starter motor DOES NOT operate in the D, 2, L, or R positions.