lemon-mirror:
Home >> Chevrolet >> 2003 >> SSR V8-5.3L VIN P >> Repair and Diagnosis >> Powertrain Management >> Computers and Control Systems >> Knock Sensor >> Service and Repair

Knock Sensor: Service and Repair

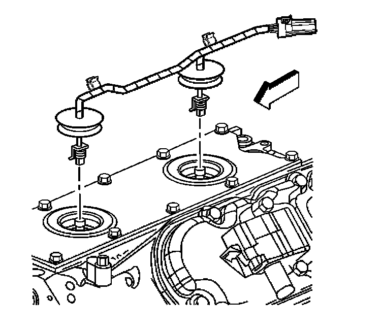
KNOCK SENSOR (KS) REPLACEMENT

REMOVAL PROCEDURE




1. Remove the intake manifold.
2. Remove the KS wiring harness assembly.




3. Remove the KS.

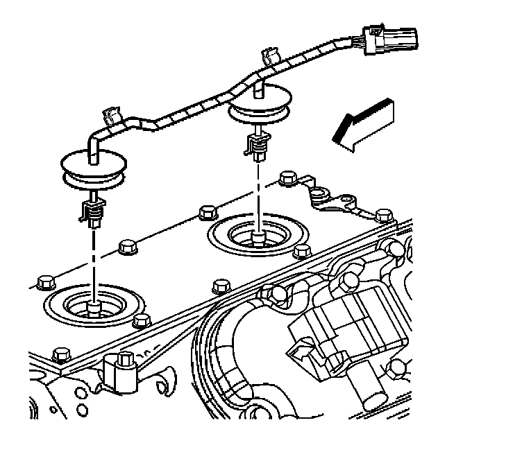
INSTALLATION PROCEDURE

NOTE: Refer to Fastener Notice in Service Precautions.




1. Install the KS.

Tighten
Torque the sensor to 20 N.m (15 lb ft).




2. Install the KS wiring harness assembly.
3. Install the intake manifold.