lemon-mirror:
Home >> Chevrolet >> 2003 >> SSR V8-5.3L VIN P >> Repair and Diagnosis >> Body and Frame >> Mirrors >> Memory Positioning Systems >> Memory Positioning Module >> Locations

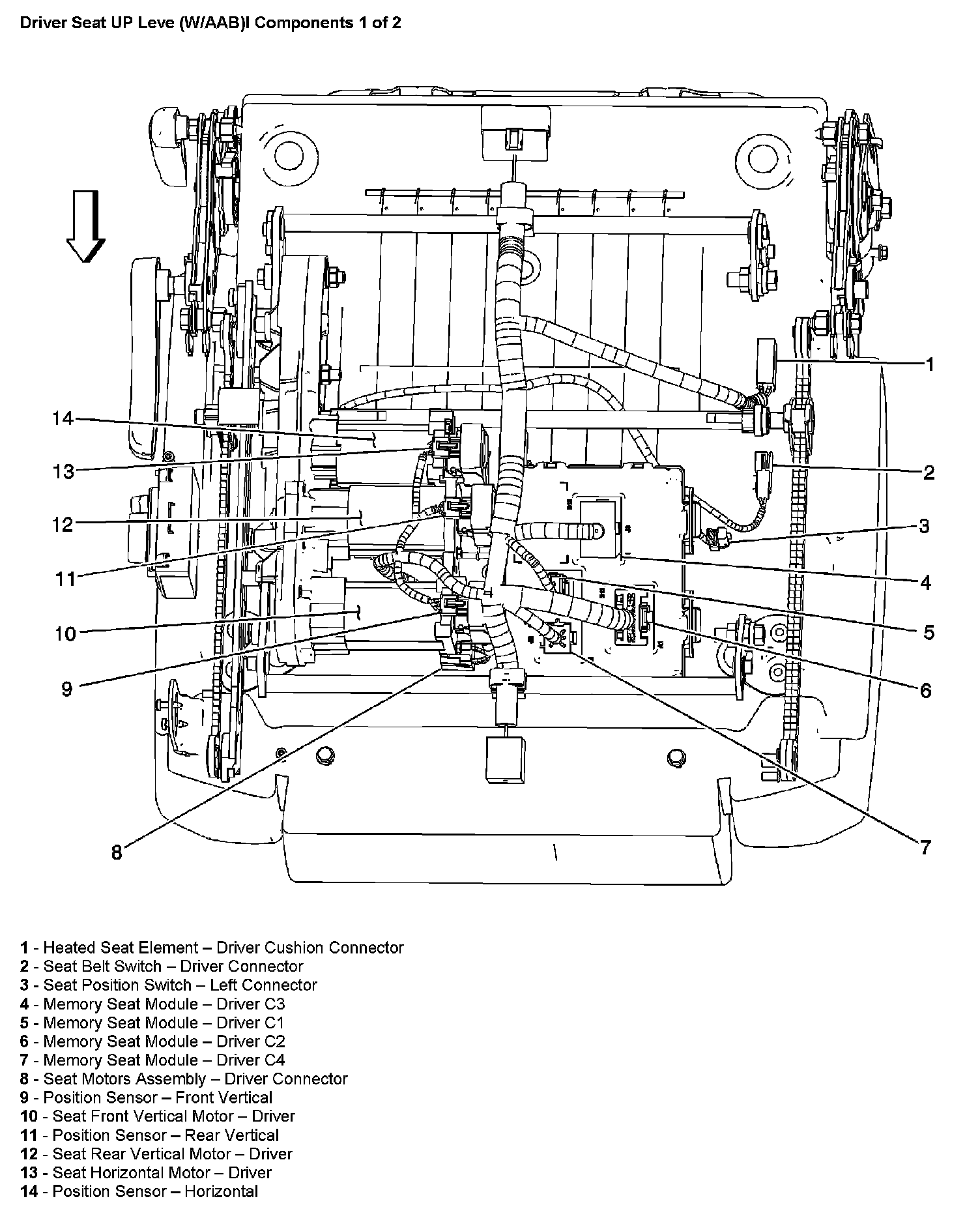
Memory Positioning Module: Locations

Driver Seat UP Level (With RPO Code AAB) Components (Part 1):