lemon-mirror:
Home >> Chevrolet >> 2002 >> Impala V6-3.4L VIN E >> Repair and Diagnosis >> Wiper and Washer Systems >> Wiper Control Module >> Service and Repair

Wiper Control Module: Service and Repair

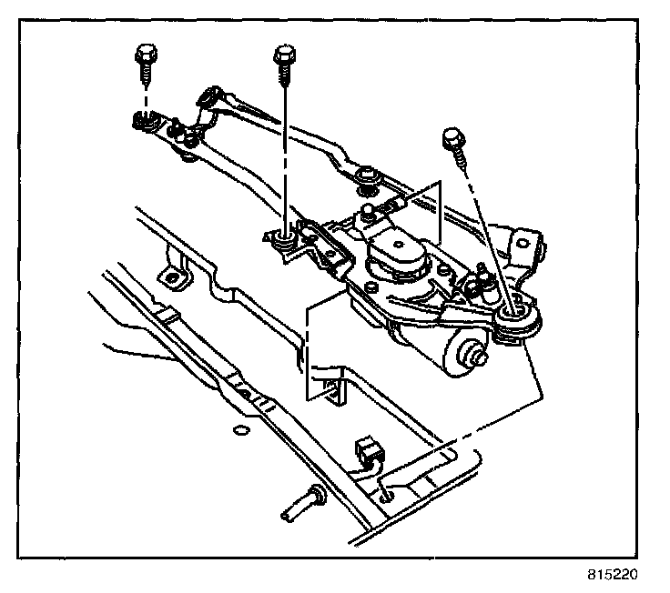
WIPER DRIVE SYSTEM MODULE REPLACEMENT

TOOLS REQUIRED
^ J 39232 Wiper Transmission Separator
^ J 39529 Wiper Transmission Installer

REMOVAL PROCEDURE




1. Remove the air inlet grille panel.
2. Remove the wiper motor water deflector.
3. Using the J 39232, disconnect wiper transmission from the wiper motor crank arm to aid in the removal of the wiper drive system module.




4. Remove the wiper drive system module screws.
5. Disconnect the wiper motor electrical connector.
6. Remove the wiper drive system module from the vehicle.

INSTALLATION PROCEDURE




1. Position the wiper drive system module to the vehicle.
2. Connect the wiper motor electrical connector.

NOTE: Refer to Fastener Notice in Service Precautions.

3. Install the wiper drive system screws.

Tighten
Tighten the screws to 10 N.m (89 lb in).

4. Using the J 39529, Install the wiper transmission to the wiper motor crank arm.
5. Install the wiper motor water deflector.
6. Install the air inlet grille panel.
7. Inspect the wipers for proper operation.