lemon-mirror:
Home >> Chevrolet >> 2001 >> Venture V6-3.4L VIN E >> Repair and Diagnosis >> Powertrain Management >> Computers and Control Systems >> Fuel Level Sensor >> Service and Repair

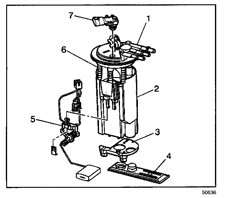
Fuel Level Sensor: Service and Repair

FUEL LEVEL SENSOR REPLACEMENT

REMOVAL PROCEDURE




1. Remove the fuel sender assembly.
2. Remove the fuel level sensor (5) from the modular fuel sender.

INSTALLATION PROCEDURE




1. Install the fuel level sensor (5) to the modular fuel sender.
2. Install the fuel sender assembly.