lemon-mirror:
Home >> Chevrolet >> 2001 >> Tracker 2WD L4-2.0L VIN C >> Repair and Diagnosis >> Diagrams >> Exploded Views >> Engine

Engine





Camshaft Timing Chain and Chain Tensioner





Crankshaft Timing Chain and Chain Tensioner





Camshafts and Valve Lash Adjusters





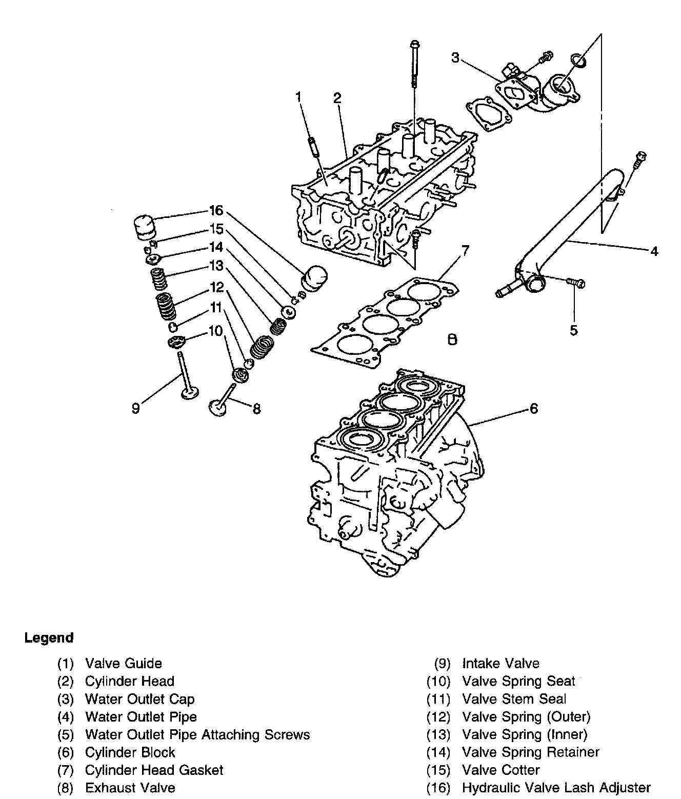
Valves and Cylinder Head





Pistons, Piston Rings, Connecting Rods, and Cylinders





Main Bearings, Crankshaft, and Cylinder Block





Timing Chain Cover