lemon-mirror:
Home >> Chevrolet >> 2001 >> Impala V6-3.8L VIN K >> Repair and Diagnosis >> Powertrain Management >> Computers and Control Systems >> Fuel Level Sensor >> Service and Repair

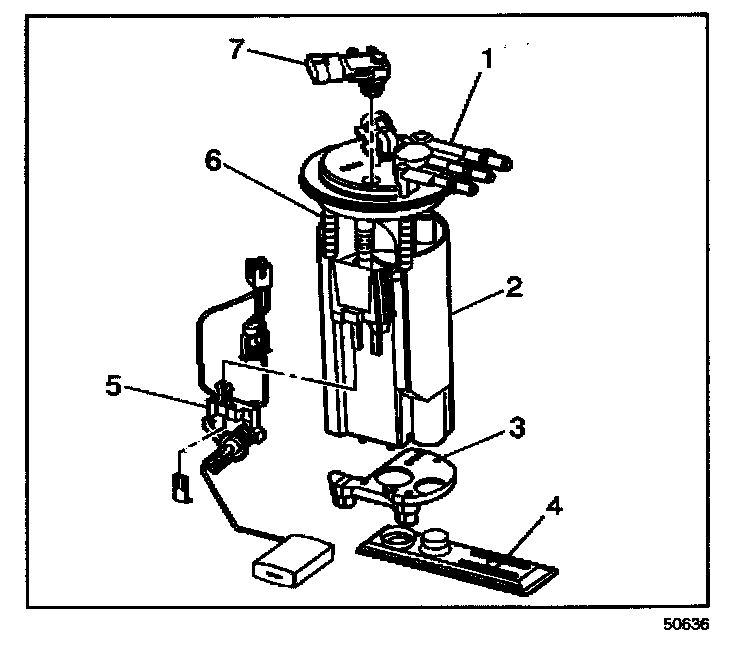
Fuel Level Sensor: Service and Repair

FUEL LEVEL SENSOR REPLACEMENT

REMOVAL PROCEDURE

IMPORTANT: Always maintain cleanliness when servicing the fuel system components.




1. Remove the fuel sender assembly.
2. Disconnect the fuel level sensor and the fuel pump electrical connectors.
3. Remove the fuel level sensor retaining clip.
4. Squeeze the locking tongs and remove the fuel level sensor (5).

INSTALLATION PROCEDURE




1. Install the fuel level sensor (5) to the fuel sender.
2. Install the fuel level sensor retaining clip.
3. Connect the fuel level sensor and the fuel pump electrical connectors.
4. Install the fuel sender assembly.