lemon-mirror:
Home >> Chevrolet >> 2001 >> Impala V6-3.8L VIN K >> Repair and Diagnosis >> Powertrain Management >> Computers and Control Systems >> Engine Control Module >> Locations >> Connector Locations

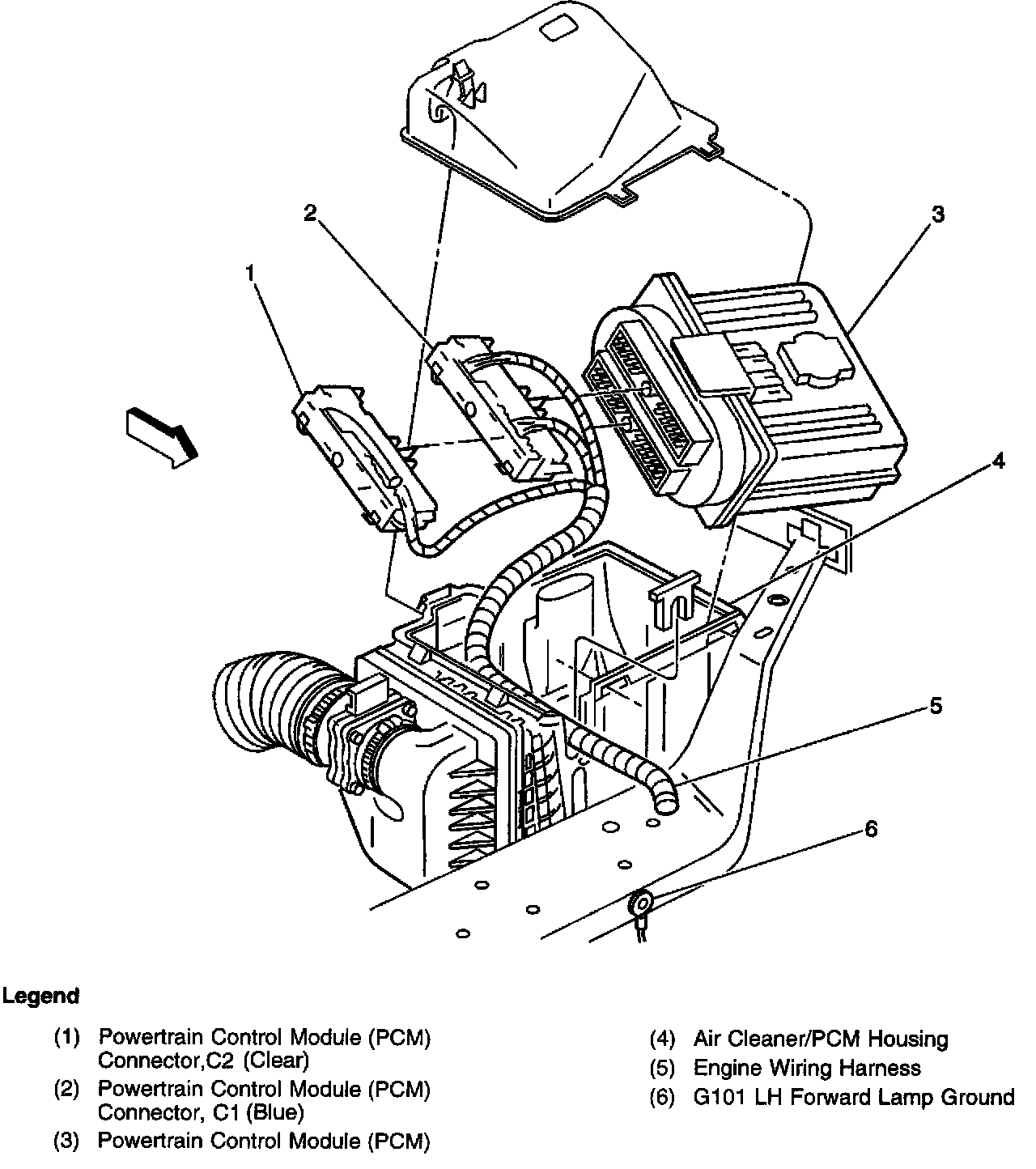
Connector Locations

Locations View: