lemon-mirror:
Home >> Chevrolet >> 2001 >> Impala V6-3.4L VIN E >> Repair and Diagnosis >> Diagrams >> Exploded Views >> Engine >> Engine Block and Components

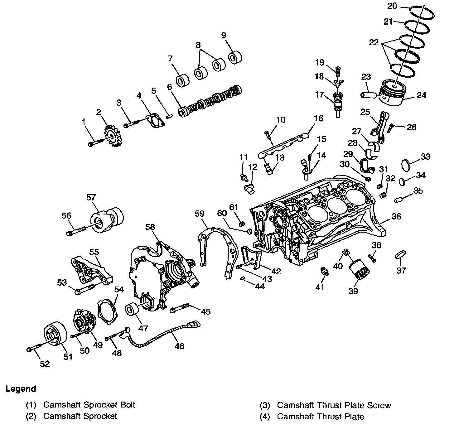
Engine Block and Components

Engine Block and Components





Part 1 of 2





Part 2 of 2