lemon-mirror:
Home >> Chevrolet >> 2000 >> Venture V6-3.4L VIN E >> Repair and Diagnosis >> Powertrain Management >> Computers and Control Systems >> Engine Control Module >> Service and Repair >> Repair Instructions >> PCM Replacement/Programming

PCM Replacement/Programming





NOTE:
^ In order to prevent possible electrostatic discharge damage to the PCM, do not touch the connector pins or soldered components on the circuit board.

Service of the Powertrain Control Module (PCM) should normally consist of either replacement of the PCM or Electrically Erasable Programmable Read Only Memory (EEPROM) programming. If the diagnostic procedures call for PCM replacement, test the PCM first to see if the PCM is the correct part. If the PCM is faulty, remove the PCM and install a new service PCM. The new service PCM is not programmed. You must program the new PCM. DTC P0602 indicates the EEPROM is not programmed or has malfunctioned.
^ In order to prevent possible electrostatic discharge damage to the PCM, do not touch the connector pins or soldered components on the circuit board.
^ Turn the ignition OFF when installing or removing the PCM connectors and disconnecting or reconnecting the power to the PCM (battery cable, PCM pigtail, PCM fuse, jumper cables, etc.) in order to prevent internal PCM damage.

IMPORTANT: When replacing the production PCM with a service PCM (controller), you must transfer the broadcast code and production PCM number to the service PCM label. Do not record the information on the PCM cover. This allows positive identification of PCM parts throughout the service life of the vehicle.




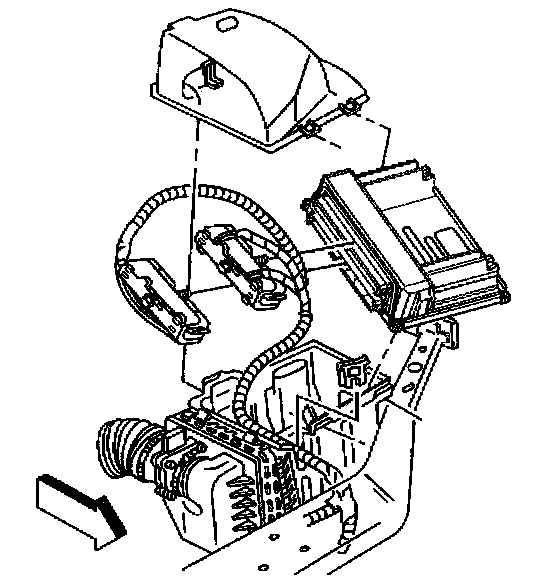
REMOVAL PROCEDURE

CAUTION: Refer to Battery Disconnect Caution in Service Precautions.

1. Disconnect the negative battery cable.
2. Remove the coolant reservoir retaining bolt.
3. Remove the coolant reservoir and set aside.
4. Remove the SMCC module from the SMCC module bracket.
5. Remove the SMCC module bracket.
6. Remove the 3 bolts from the strut brace.
7. Remove the left front strut brace.
8. Unsnap the PCM cover and remove the PCM cover from the air cleaner housing.
9. Remove the PCM from the air cleaner housing.
10. Disconnect the PCM electrical connectors.

INSTALLATION PROCEDURE
1. Connect the PCM electrical connectors to the PCM.
2. Install the PCM into the air cleaner housing.
3. Reinstall the PCM cover to the air cleaner housing and snap the retainer.
4. Reinstall the left front strut brace.

NOTE: Refer to Fastener Notice in Service Precautions.

5. Reinstall the 3 strut brace retaining bolts.
6. Reinstall the SMCC module bracket.
7. Reinstall the SMCC module to the SMCC module bracket.
8. Reinstall the coolant reservoir. Be sure to check coolant system for proper level.
9. Reconnect the negative battery cable.
10. If a new PCM is being installed, program the EEPROM.
11. The PCM will need to learn the crankshaft variation. Programming and Relearning