lemon-mirror:
Home >> Chevrolet >> 2000 >> Venture V6-3.4L VIN E >> Repair and Diagnosis >> Locations >> Component Locations >> Modules >> Cruise Control Module (CCM)

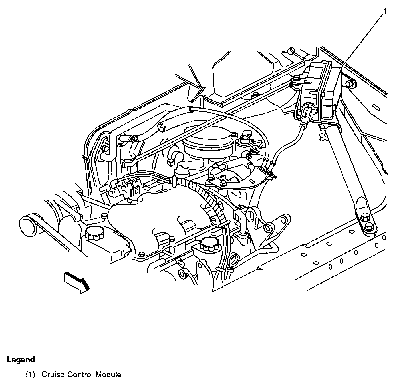
Cruise Control Module (CCM)

Locations View:




Locations View:




Locations View:




Engine compartment, near the left strut tower