lemon-mirror:
Home >> Chevrolet >> 2000 >> Venture V6-3.4L VIN E >> Repair and Diagnosis >> Diagrams >> Components >> Modules >> Engine Coolant Level Module

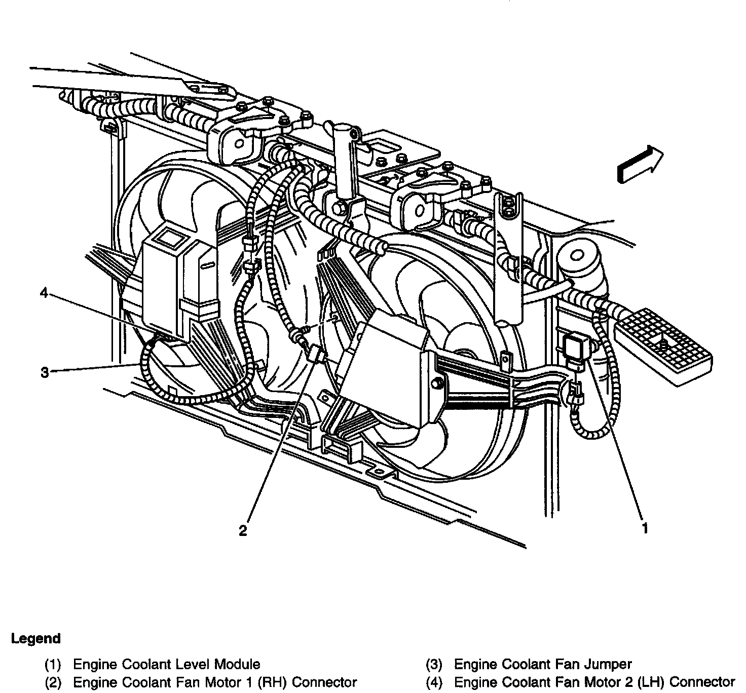
Engine Coolant Level Module

Locations View:



Locations View: